由MAX4100/4101构成的同相增益电路

📅 发布时间:2013-10-07 01:40 👁️ 浏览:2 🏷️ 标签: 4100 4101 MAX 同相

由MAX4100/4101构成的同相增益电路

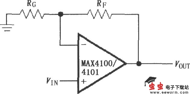
如图所示为由MAX4100/4101构成的同相增益电路,放大器增益由RF与RG的比值确定,且不会影响放大器的频率补偿。VOUT=(1 RF/RG)VIN。

觉得这篇文章有帮助吗?