
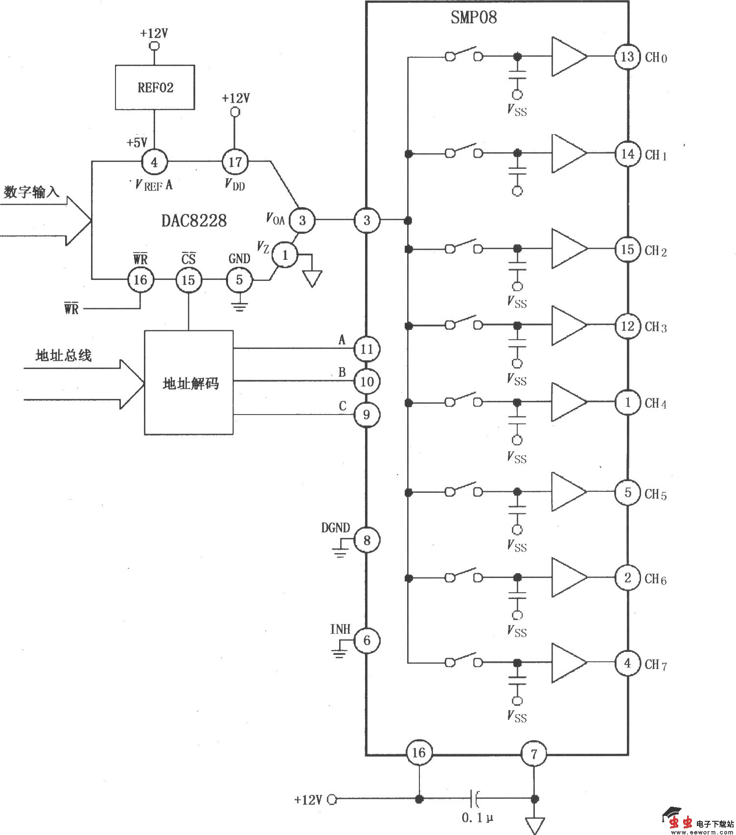
如图所示为SMP08/18用做多路输出选择器,与***、D/A转换器构成的八通道多路复用D/A变换电路。数字信号输入模数转换器DAC8228,输出产生模拟电压送到SMP08。地址总线输入通道选择信号到地址***,不同的地址解码后分别控制8路开关,分别输出8路模拟信号,通道解码见下表。SMP08/18的输出电压下降率为20mV/s,因此保持放大器必须在每500ms时间刷新一次。输入模数转换器采用10bit DAC时,保持放大器刷新率必须低于120ms;采用12bit DAC时,保持放大器刷新率必须低于31ms。该电路方案比直接采用多通道DAC的方案要节省成本且效率高。