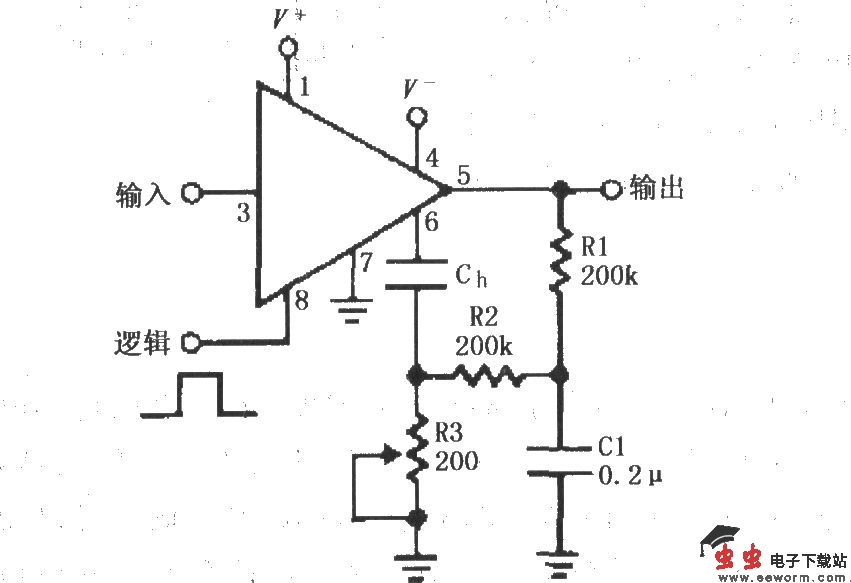
由LF398构成的的电容滞后补偿电路

📅 发布时间:2013-10-06 15:20 👁️ 浏览:0 🏷️ 标签: 398 LF 电容 补偿电路

由LF398构成的的电容滞后补偿电路

如图所示为由LF398的电容滞后补偿电路。C1及R1、R2、R3构成电容滞后补偿电路,选择时间常数C1=τ/100kΩ;调节电位器R3可以调整输出幅度。

觉得这篇文章有帮助吗?