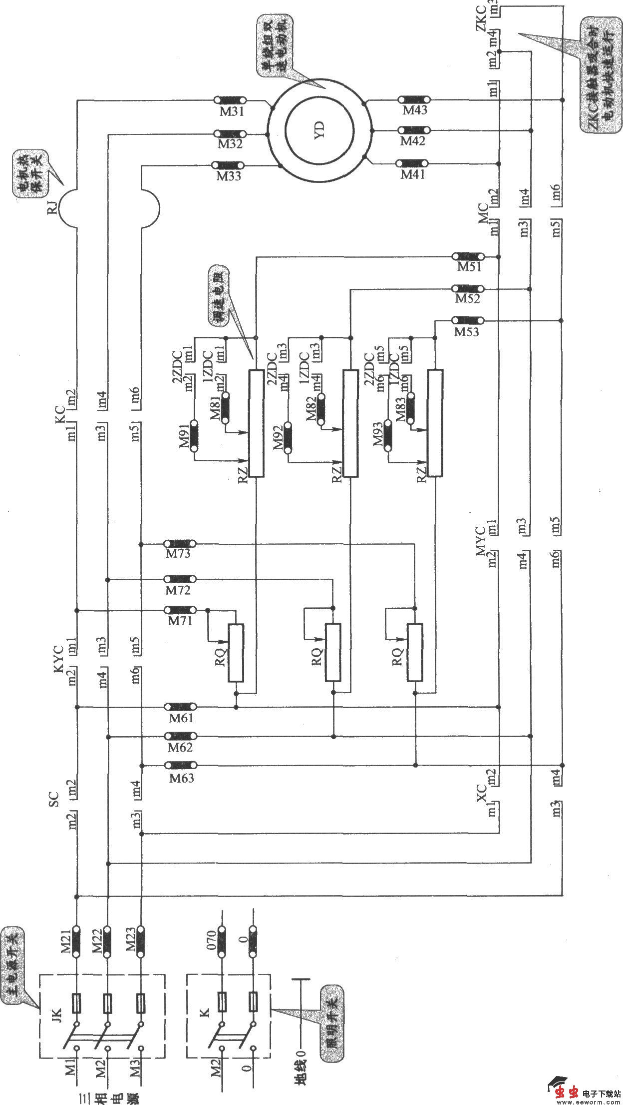
JKH1-771A电梯主电路:

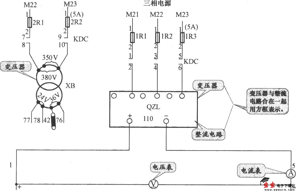
JKH1-771A电梯控制电源电路:

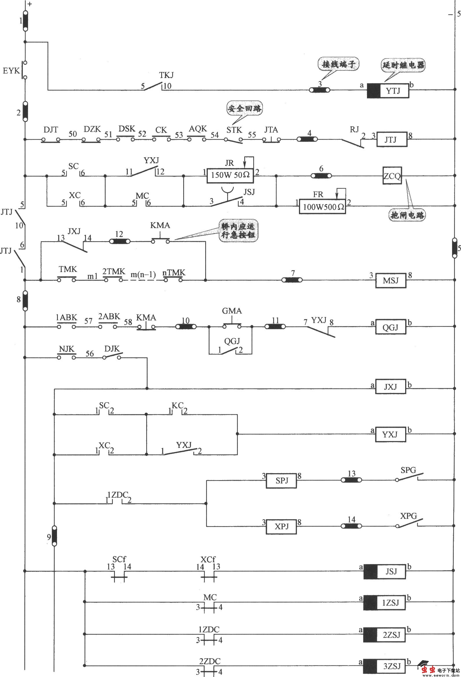
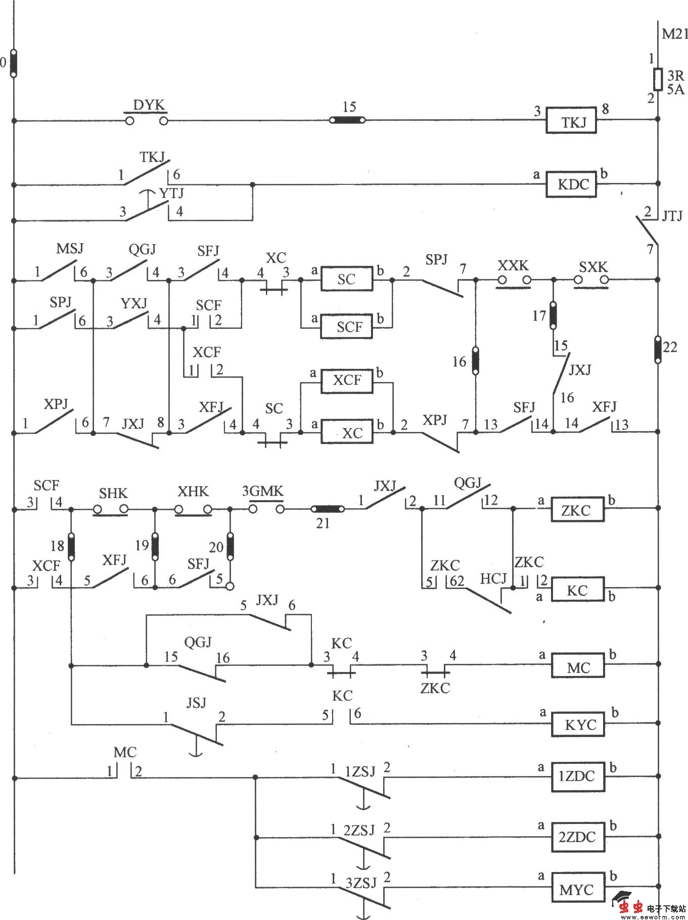
JKH1-771A电梯控制电路(1):

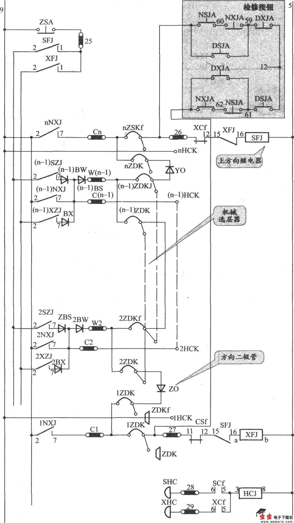
JKHl-771A电梯控制电路(2):

JKH1-771A电梯控制电路(3):

JKH1-771A电梯控制电路(4):

JKH1-771A电梯按钮电路:

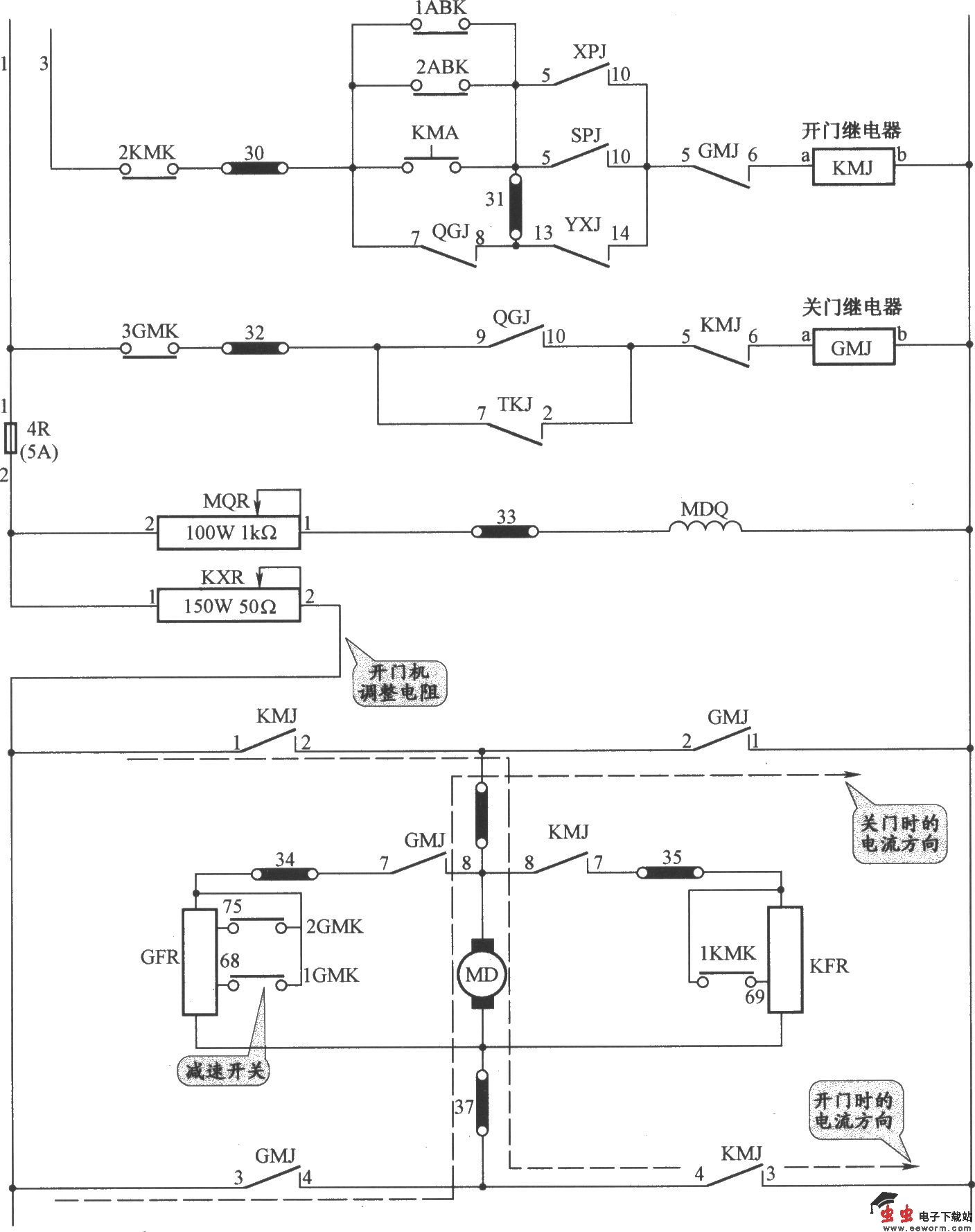
JKH1-771A电梯开门机电路:

JKH1-771 A电梯楼层指示灯电路:

JKH1-771A电梯指示灯电路:

JKH1-771A电梯照明电路(1):

JKH1-771A电梯照明电路(2):

JKH1-771A电梯警铃电路:
JKH1-771A电梯主电路:

JKH1-771A电梯控制电源电路:

JKH1-771A电梯控制电路(1):

JKHl-771A电梯控制电路(2):

JKH1-771A电梯控制电路(3):

JKH1-771A电梯控制电路(4):

JKH1-771A电梯按钮电路:

JKH1-771A电梯开门机电路:

JKH1-771 A电梯楼层指示灯电路:

JKH1-771A电梯指示灯电路:

JKH1-771A电梯照明电路(1):

JKH1-771A电梯照明电路(2):

JKH1-771A电梯警铃电路: