北京富而瑞电梯控制柜

📅 发布时间:2013-10-05 16:35 👁️ 浏览:0 🏷️ 标签: 电梯 控制柜

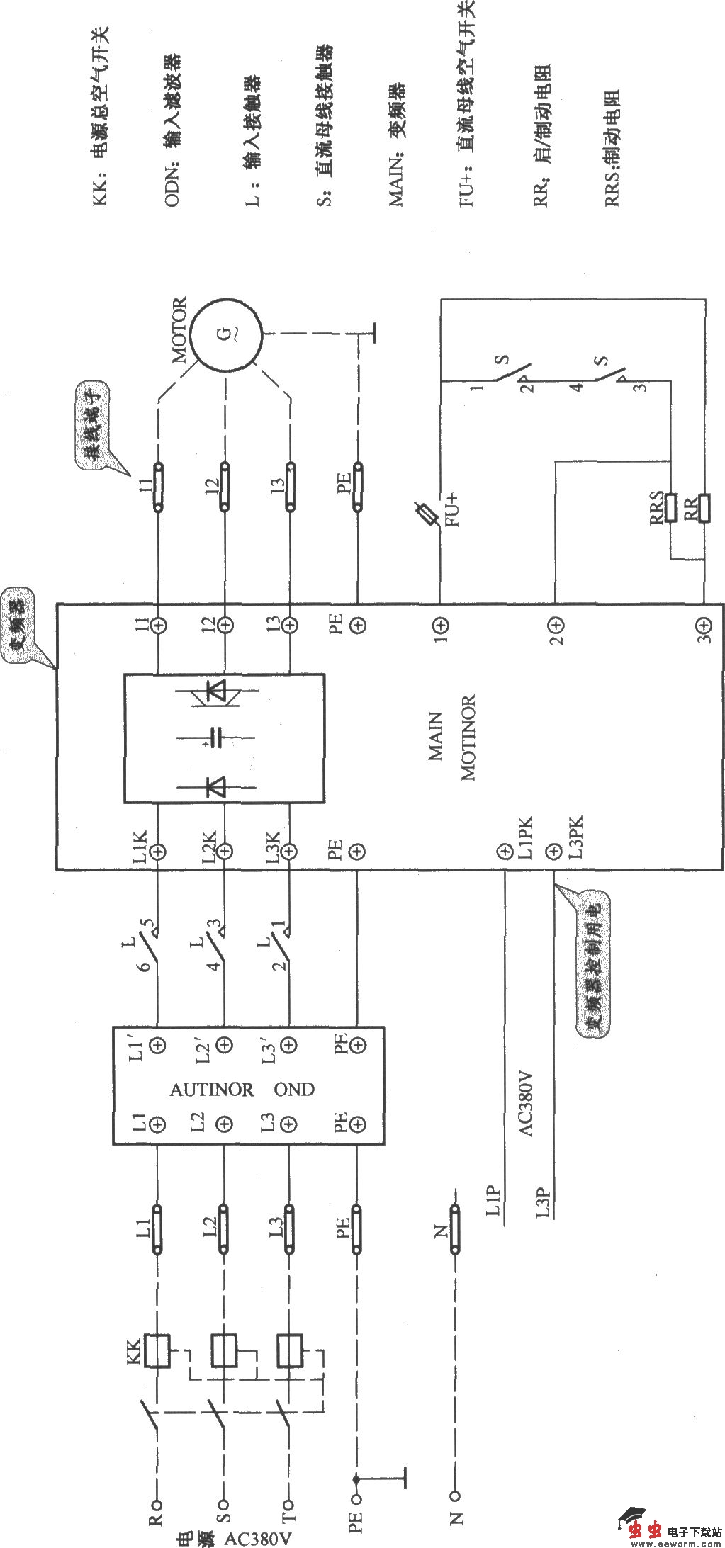
北京富而瑞电梯主电路:

北京富而瑞电梯控制柜

北京富而瑞电梯控制电源电路:

北京富而瑞电梯控制柜

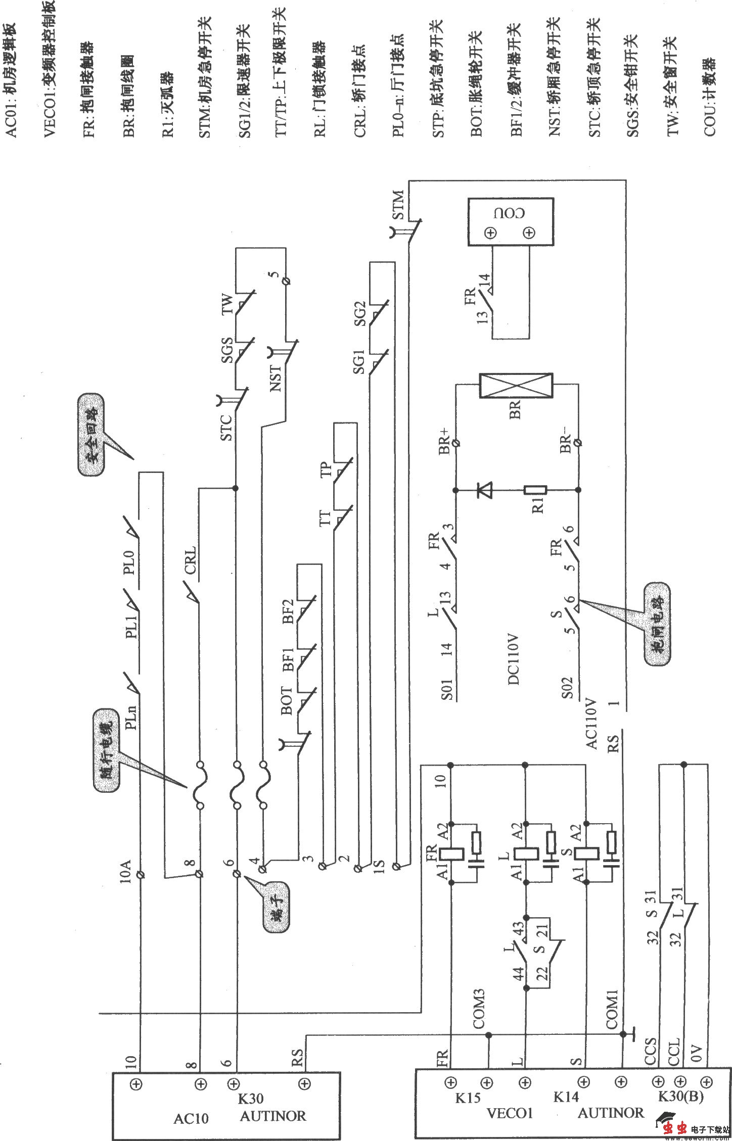
北京富而瑞电梯安全回路与抱闸电路:

北京富而瑞电梯控制柜

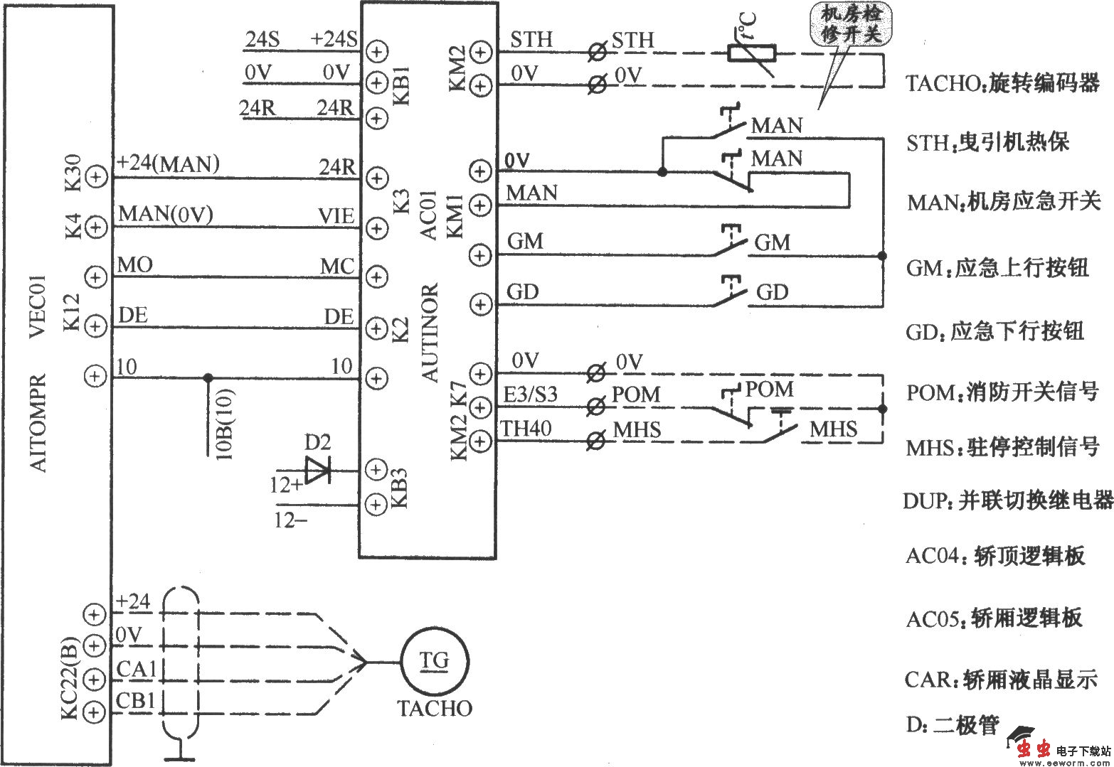
北京富而瑞电梯控制电路(1):

北京富而瑞电梯控制柜

北京富而瑞电梯控制电路(2):

北京富而瑞电梯控制柜

北京富而瑞电梯控制电路(3):

北京富而瑞电梯控制柜

北京富而瑞电梯内选、呼梯与层站指示电路:

北京富而瑞电梯控制柜

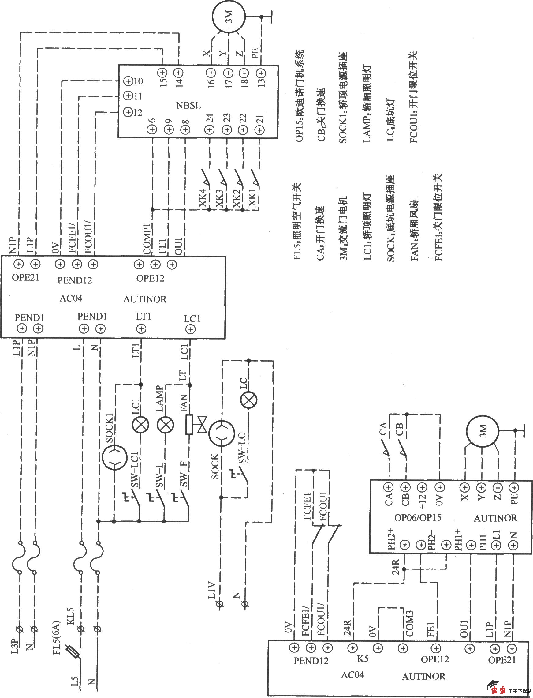
北京富而瑞电梯照明与开门机电路:

北京富而瑞电梯控制柜 

觉得这篇文章有帮助吗?