沈阳三洋交流双速电梯控制柜

📅 发布时间:2013-10-05 16:05 👁️ 浏览:0 🏷️ 标签: 三洋 交流 双速 电梯

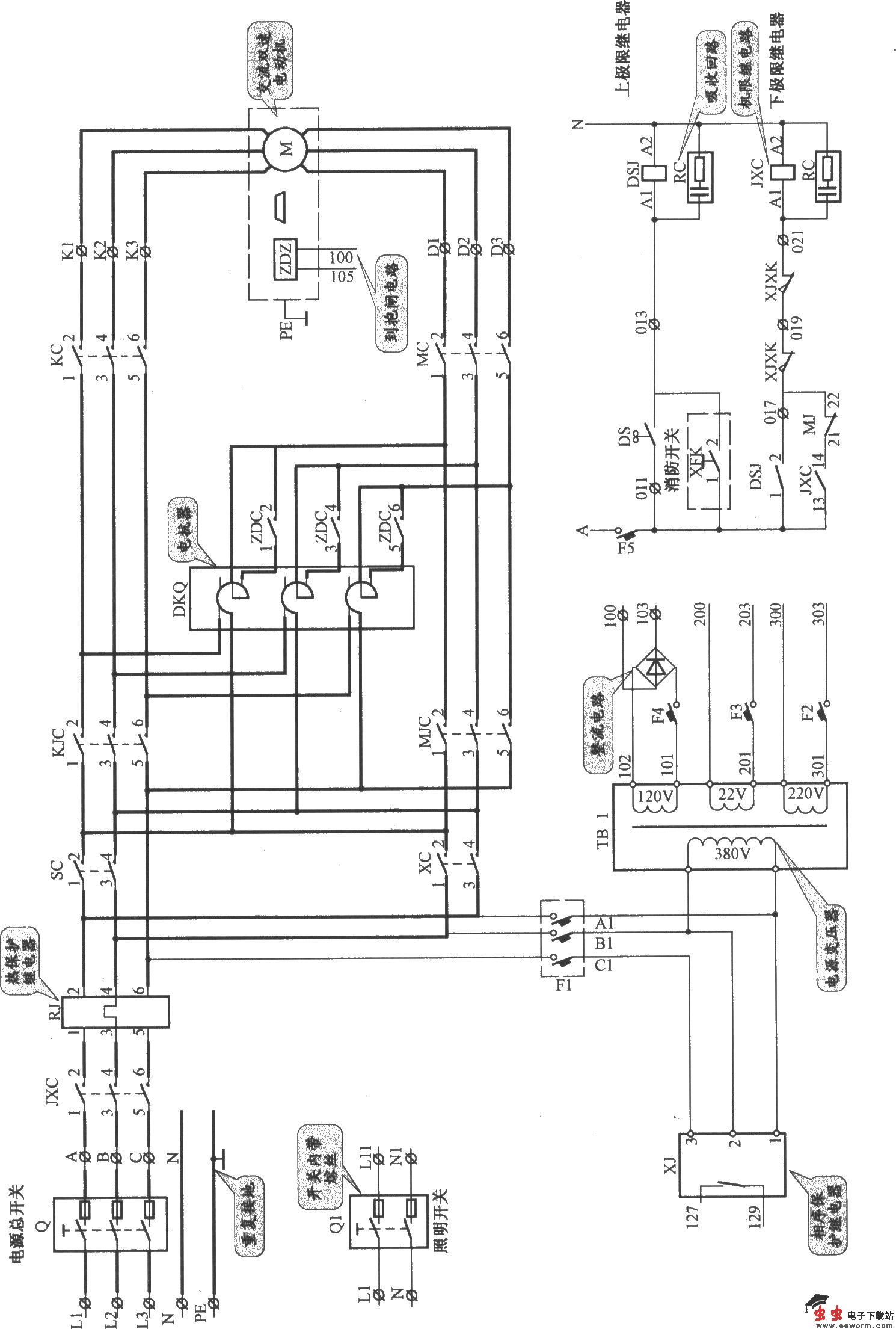
沈阳三洋交流双速电梯主电路:

沈阳三洋交流双速电梯控制柜

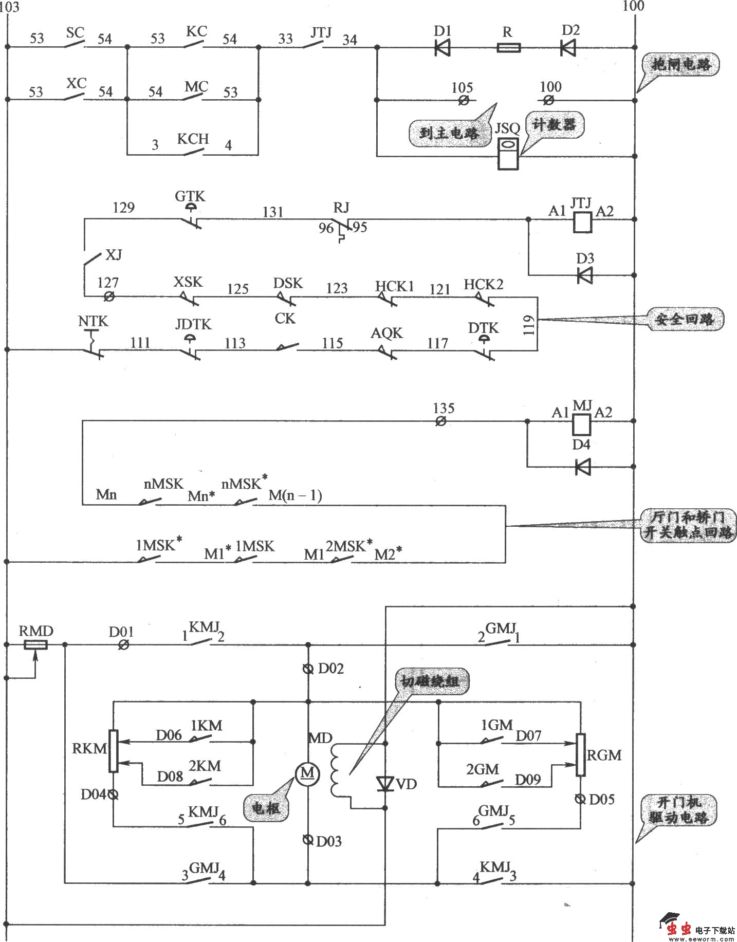
沈阳三洋交流双速电梯抱闸、门机与安全回路电路:

沈阳三洋交流双速电梯控制柜

沈阳三洋交流双速电梯控制电路(1):

沈阳三洋交流双速电梯控制柜

沈阳三洋交流双速电梯控制电路(2):

沈阳三洋交流双速电梯控制柜

沈阳三洋交流双速电梯照明电路:

沈阳三洋交流双速电梯控制柜 

觉得这篇文章有帮助吗?