
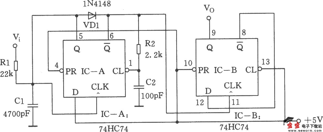
如图所示为双D触发器式的VCO。电路输出一个占空比50%的方波信号,而消耗的电流却很小。当输入电压为5~12V时,输出频率范围从20~70kHz。首先假设IC-A的初始状态是Q=低电平。此时VDl被关断,Vi通过Rl向Cl充电。当Cl上的电压达到一定电平时,IC-A被强制翻转,其Q输出端变成高电平,Cl通过VDl放电。同时,IC-A的CL输入端也将变成低电平,强制IC-A再翻回到Q=低电平。由于R2和C2的延时作用,保证了在IC-A返回到Q为低电平以前,把Cl的电放掉。IC-A输出的窄脉冲电流触发IC-B,产生一个占空比为50%的输出脉冲信号。