欢迎来到虫虫下载站
|
资源下载
资源专辑
关于我们
虫虫下载站
登录
注册
虫虫下载站
专业电子工程师资源平台
资料
代码
搜索
上传资源
首页
资源下载
资源专辑
热门软件
精品资源
基础知识
电路图
电子书
在线计算器
代码搜索
首页
›
电路图
›
其他(others)
›
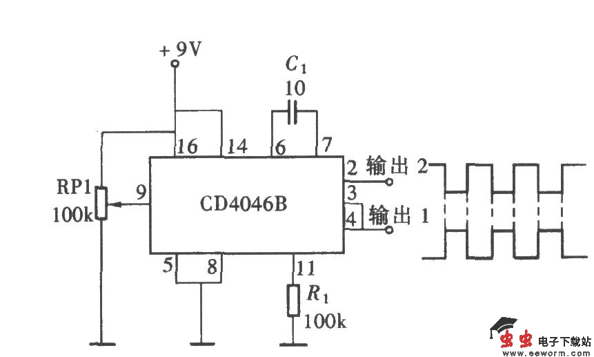
用CD4046产生相位相反的对称方波
用CD4046产生相位相反的对称方波
发布时间:
2013-10-04 06:35
浏览:
1
标签:
4046
CD
相位
对称
觉得这篇文章有帮助吗?
来顶一下 (
48
)
用户登录
×
加载中...
加载登录表单中...
🎁
免费注册送10积分
×
加载中...
加载注册表单中...
找回密码
×
加载中...
加载表单中...
需要登录
×
登录后即可使用!
新用户注册立即送10积分
积分可用于下载资源,免费获取优质技术资料
退出登录
×
确认要退出登录吗?
退出后需要重新登录才能下载资源