多级输出的延迟电路

📅 发布时间:2013-10-03 02:45 👁️ 浏览:0 🏷️ 标签: 多级 输出 延迟电路

多级输出的延迟电路

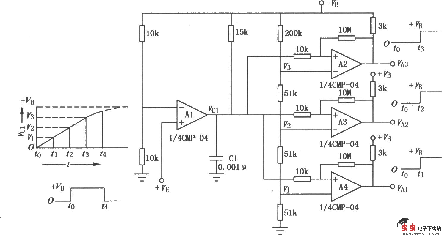
如图是具有多级输出的延迟电路。电路中采用了运算放大器作比较器,当运算放大器A1的同相输入端加电压 VE后,在运算放大器A2、A3、A4同相输入端上的电压VC1将沿着指数曲线规律上升。运算放大器的反相输入端加入由分级分压器提供的电压。因此各运算放大器输入在Vc1由零变为 VB(电源电压)的t1、t2、t3时刻,分别使各输出信号翻转,从而实现了VA1、VA2、VA3逐级延时的目的。注意本电路使用了双电源,即正电源 VE、 VB与负电源-VB。

觉得这篇文章有帮助吗?