脉冲延迟电路(CD4011、CD4098)

📅 发布时间:2013-10-02 22:25 👁️ 浏览:0 🏷️ 标签: CD 4011 4098 脉冲延迟

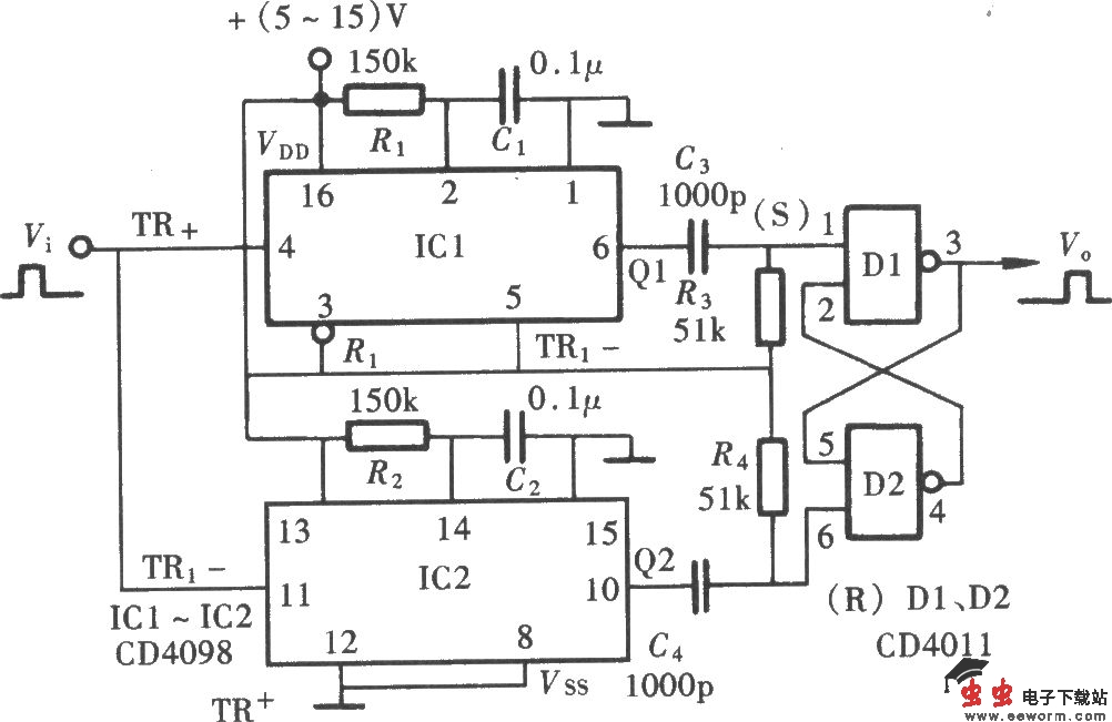
如果需要延迟时间大于输入脉冲宽度的脉冲延迟电路,可采用由与非门和单稳态触发器组成的脉冲延迟电路,其组成如图所示。

脉冲延迟电路(CD4011、CD4098)

觉得这篇文章有帮助吗?