由CD4017组成的超级密码锁电路

📅 发布时间:2013-10-02 15:30 👁️ 浏览:0 🏷️ 标签: 4017 CD 超级 密码锁

由CD4017组成的超级密码锁电路

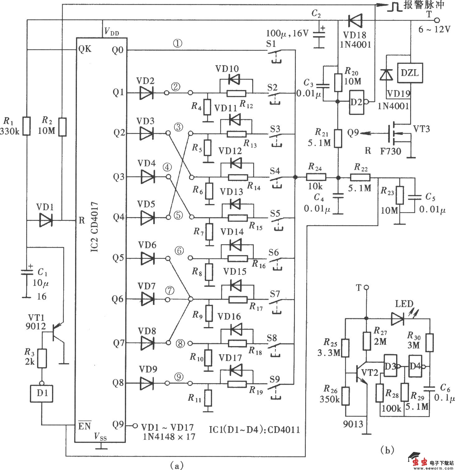
如图所示的密码锁电路由十进制计数器CD4017组成,由它的十个输出端通过连接组合,组成的密码组数可达1亿组以上,可称为超级密码锁,其电路组成如图所示。电路组成较简单,由1只CD4017和10个密码输入开关以及相关的附属电路组成。

觉得这篇文章有帮助吗?