能识别伪码的密码锁(CD4017、CD4093)

📅 发布时间:2013-10-02 14:50 👁️ 浏览:0 🏷️ 标签: CD 4017 4093 识别

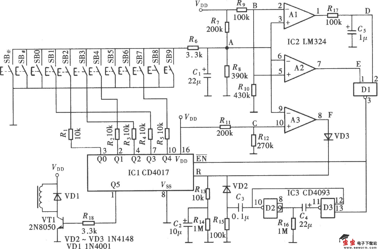
能识别伪码的密码锁(CD4017、CD4093)

如图所示的密码锁电路由数字电路与运算放大器共同组成,其中由运算放大器组成的电压比较器来识别伪码。全电路由12个输入按键、一个密码控制电路、一组伪码识别电路、一个操作限时电路和开锁电路组成。

觉得这篇文章有帮助吗?