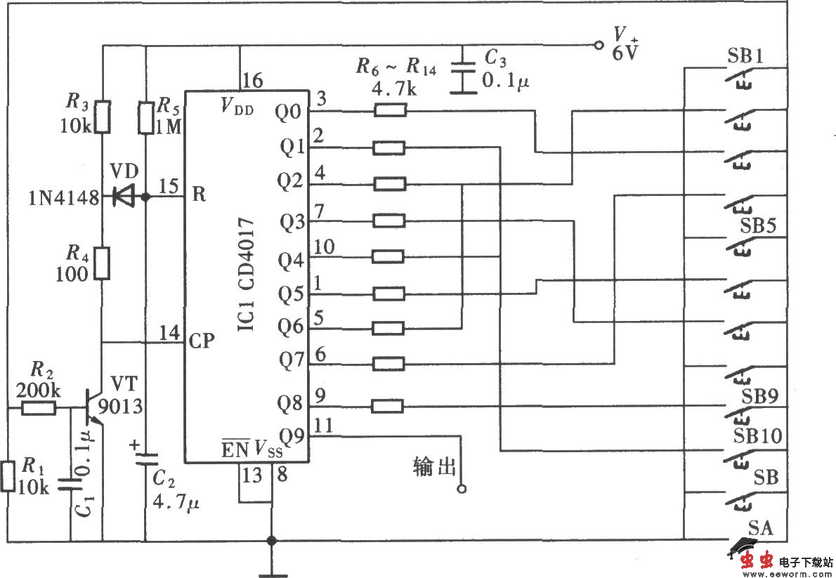
由CD4017组成的九位数字密码控制器

📅 发布时间:2013-10-02 14:55 👁️ 浏览:1 🏷️ 标签: 4017 CD 数字 密码控制器

由CD4017组成的九位数字密码控制器

如图所示的数字密码控制器由九位密码组成,共设11个按键,其中4个伪码按键,7 个有效按键中有两个键为复用键,组成的密码数为九位。

觉得这篇文章有帮助吗?