
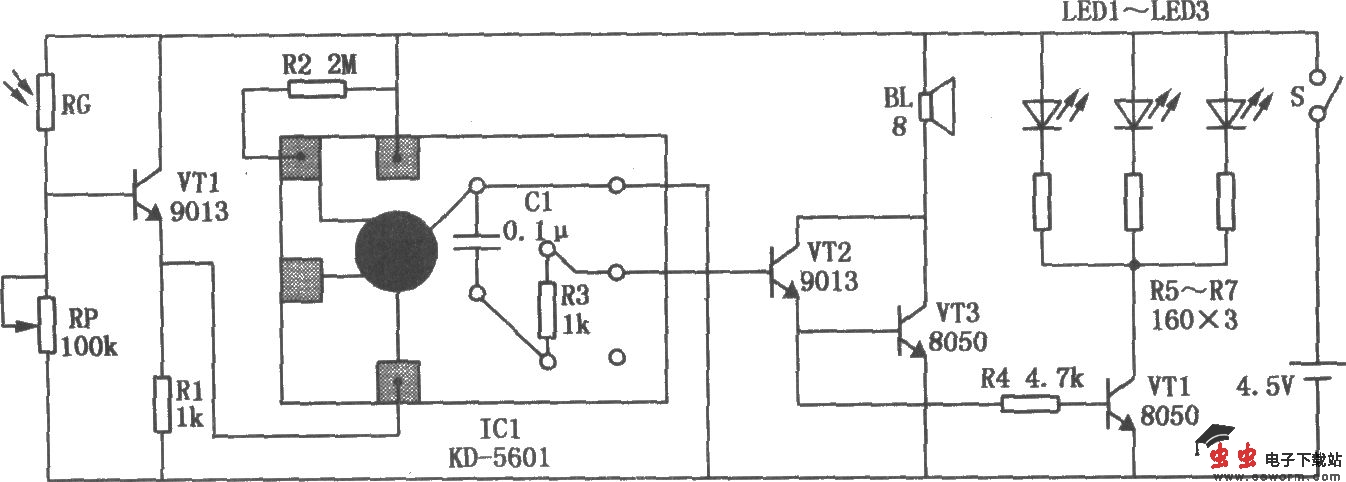
电子爆竹的电路如图所示。ICl是能发出爆竹声响的集成电路KD-5601。当用火柴“点燃”电子爆竹时,火柴发出的光亮作用于光敏电阻RG,使其阻值迅速变小,三极管VTl由截止态转入导通,ICl因触发端获得正脉冲而开始工作。其输出的信号经三极管VT2、VT3组成的复合管进行功率放大,推动扬声器BL发出响亮的爆竹声响。与此同时,三只不同颜色的发光二极管LEDl~LED3也随之闪闪发光,并通过光导纤维传至爆竹上端的玻璃管内。数秒钟后,电路自动停止工作。调试时,改变电位器RP的阻值,使光敏电阻RG无光照射时ICl不工作,有光照射时IC1工作。然 后调整电阻R4使发光二极管随爆竹声闪亮。调整R5~R7可以改变发光二极管LEDl1~LED3的亮度