由CD4520构成的键控式音量控制器

📅 发布时间:2013-10-02 04:35 👁️ 浏览:0 🏷️ 标签: 4520 CD 键控 音量控制器

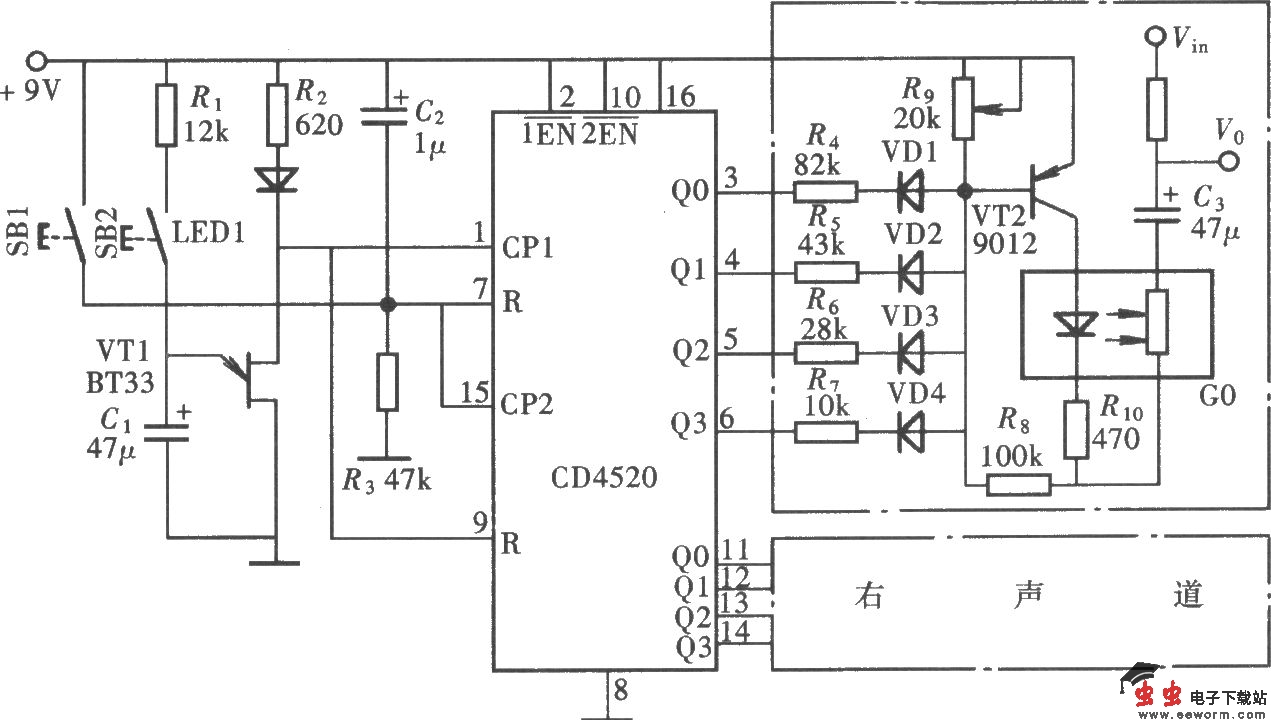
由CD4520构成的键控式音量控制器

该例音量控制器的主控元件是光耦合器,它是通过控制光耦合器中发光二极管的发光亮度,从而改变光耦合器中光敏电阻的阻值来达到控制音量的。发光二极管的亮度又是通过输入计数器中脉冲数的多少来达到的,其电路组成如图所示。

觉得这篇文章有帮助吗?