特种养殖温度控制及海浪发声电路

📅 发布时间:2013-10-02 02:55 👁️ 浏览:0 🏷️ 标签: 温度控制 发声 电路

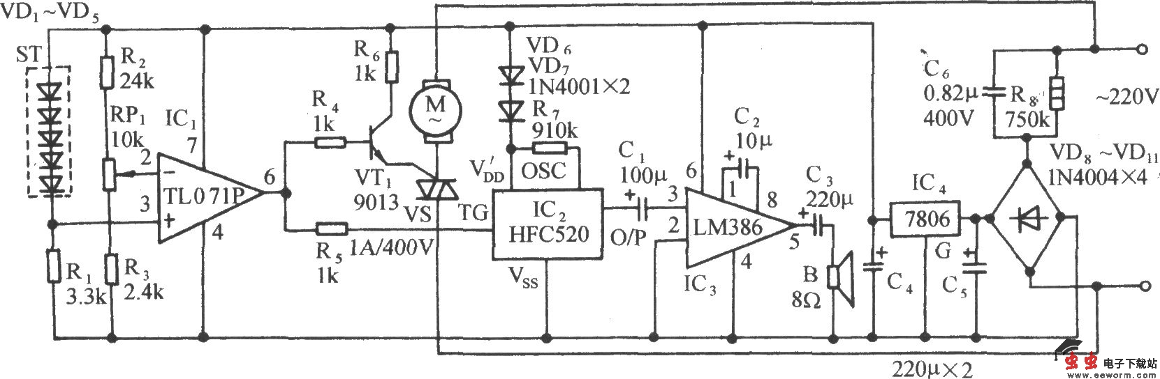
特种养殖温度控制及海浪发声电路

如图所示电路,它由感温器件、比较电路、可控硅控制降温电路、海浪发声电路和交流降压整流电路等组成。该电路温控范围大、控制精度高,电路简单、实用。

觉得这篇文章有帮助吗?