
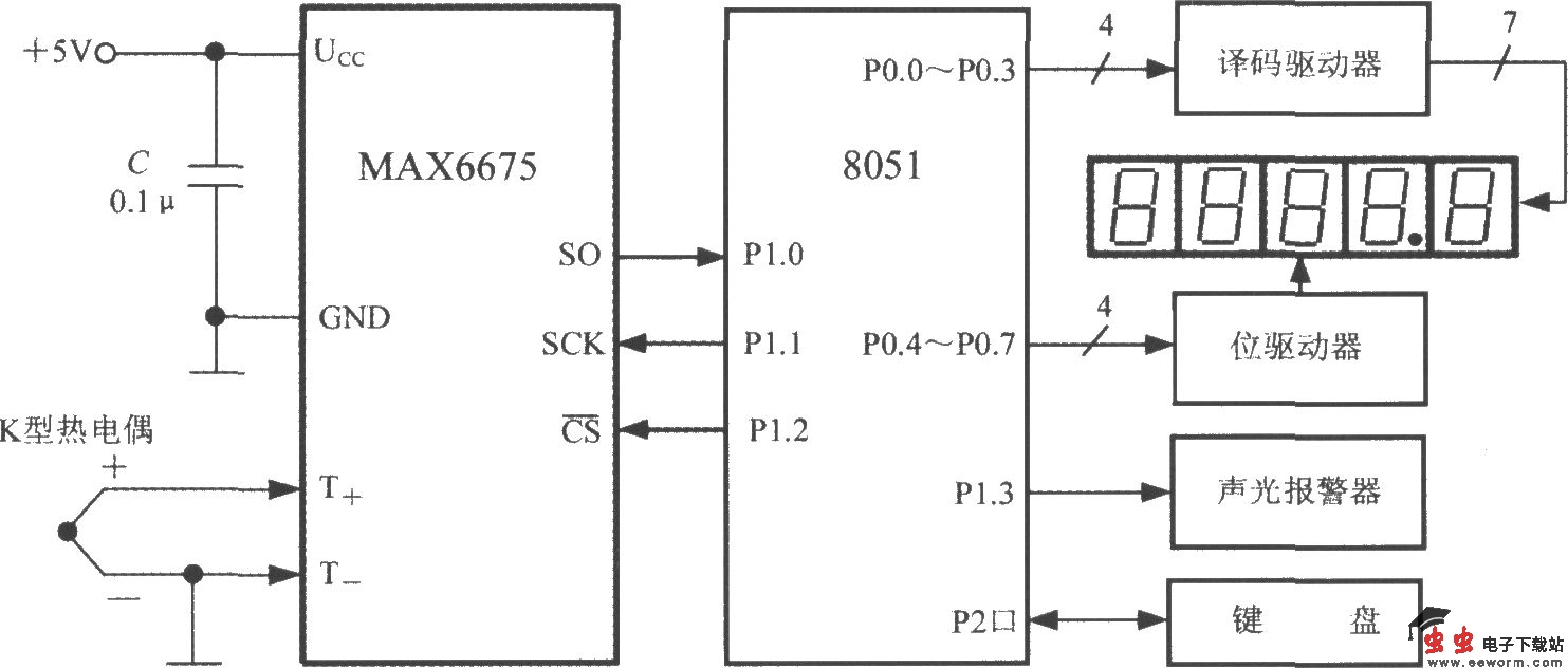
由MAX6675构成的测温系统电路框图如图所示。K型热电偶接在MAX6675的T 、T-端,热电偶的冷端接地。主机选用8051单片机,MAX6675作为从机,从8051的P1.1端口给MAX6675发送串行时钟,P1.0端口用来接收MAX6675输出的温度数据。P1.2端口输出的低电平将CS置0。系统配有5位共阴极LED数码管,将小数点定在十位后边,即可测量0~ 1024oC的温度,分辨力为0.1℃。P0口用来分别接译码驱动器CD4511和位驱动器74LS154。P1.3端口通过声光报警电路接扬声器,当热电偶出现开路故障时,扬声器发出报警声。P2口接4×4键盘。