提升激励电压的电路(宽带应变信号调理器1B31)

📅 发布时间:2013-10-01 19:10 👁️ 浏览:0 🏷️ 标签: 1B31 激励 宽带 信号调理器

提升激励电压的电路(宽带应变信号调理器1B31)

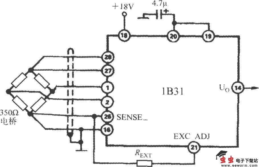
当宽带应变信号调理器1B31第19脚接第20脚时,由可编程电桥激励源输出的激励电压UEXC= 10V。要使UEXC提升到 10~ 15V,必须在EXC ADJ端和SENSE-端之问接一只电阻REXT,电路如图所示。REXT值由下式确定(电阻单位是kΩ):

提升激励电压的电路(宽带应变信号调理器1B31)

式中,

提升激励电压的电路(宽带应变信号调理器1B31) 

觉得这篇文章有帮助吗?