欢迎来到虫虫下载站
|
资源下载
资源专辑
关于我们
虫虫下载站
登录
注册
虫虫下载站
专业电子工程师资源平台
资料
代码
搜索
上传资源
首页
资源下载
资源专辑
热门软件
精品资源
基础知识
电路图
电子书
在线计算器
代码搜索
首页
›
电路图
›
其他(others)
›
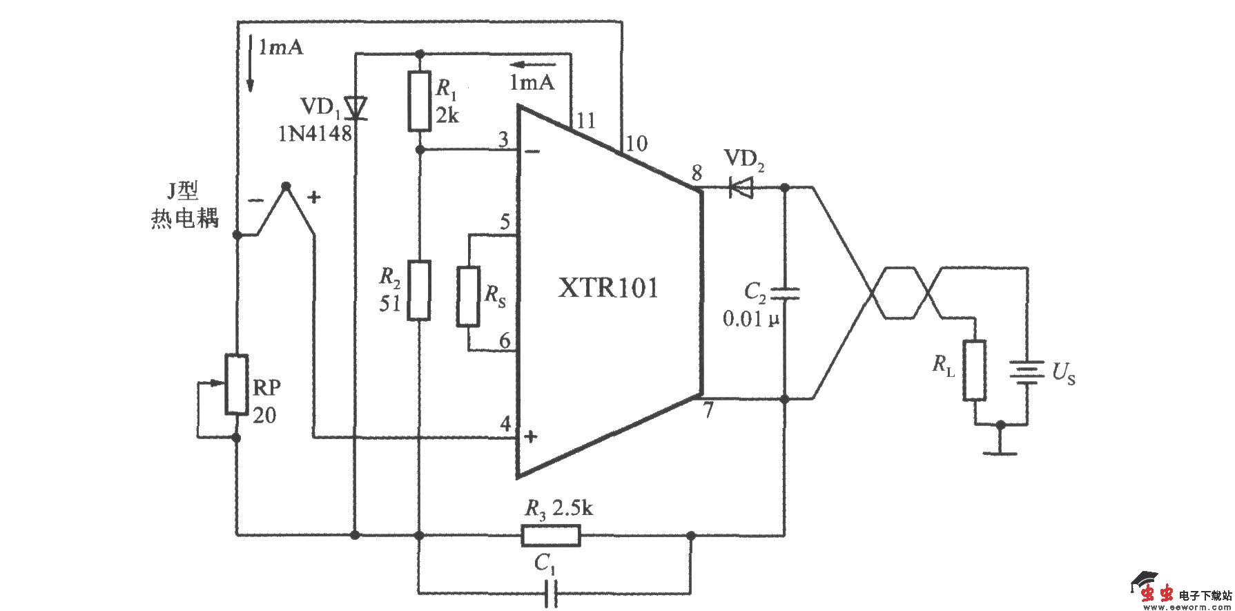
由精密电流变送器XTR101构成带冷端温度补偿功能的J型热电偶输入
由精密电流变送器XTR101构成带冷端温度补偿功能的J型热电偶输入
发布时间:
2013-10-01 18:55
浏览:
1
标签:
XTR
101
精密电流
变送器
如图所示为由精密电流变送器XTR101构成带冷端温度补偿功能的J型热电偶输入电路。该电路
觉得这篇文章有帮助吗?
来顶一下 (
15
)
👋
欢迎回来
登录账号获取更多技术资源
×
加载中...
加载登录表单中...
🎁
免费注册送10积分
加入电子工程师专属资源平台
×
加载中...
加载注册表单中...
🔒
找回密码
通过邮箱重置您的账号密码
×
加载中...
加载表单中...
🔒
需要登录
登录后即可使用更多功能!
×
🎁
新用户注册立即送10积分
积分可用于下载资源,免费获取优质资料
👋
退出登录
确认要退出当前账号吗?
×
退出后需要重新登录才能下载资源