
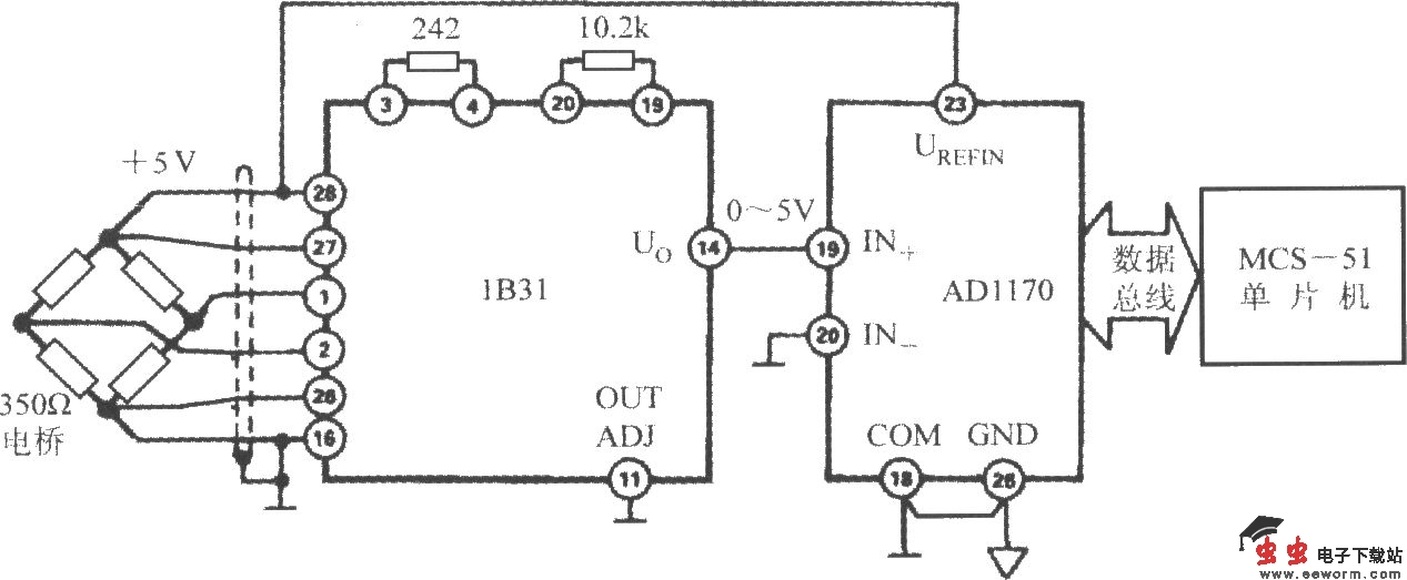
由1B31、18位A/D转换器AD1170和MCS-51单片机构成的压力变送器数据采集系统的电路如图所示。将一只满量程输出电压为10mV的压力变送器接到1B31上,设定1B31的增益为500倍,输出电压范围就是0~5V。激励电压设定为 5V,为了能进行比率运算,这个电压还作为AD1170的基准电压,通过初始化ECAL命令可将该电压作为AD1170的满量程输入电压,再通过周期性校准使A/D转换器能跟随基准电压的变化,具有比率输出特性。由于采用了低通滤波和A/D转换技术,因此该系统具有很高的共模抑制比。利用单片机对AD1170进行初始化,还可消除因桥路不对称而产生的固定失调电压,这样就不必再使用调零电位器(或用软件)进行调零了。