
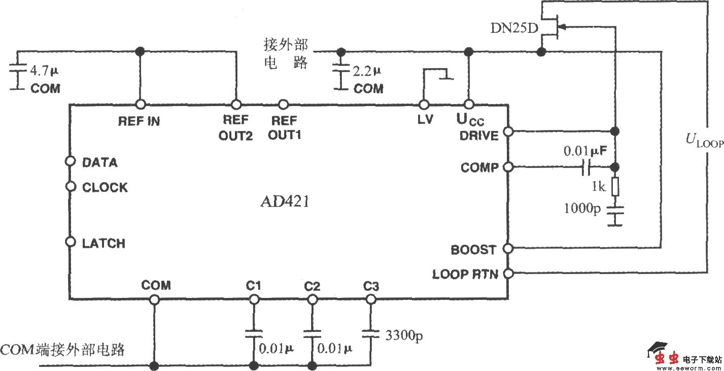
采用5V电源时,AD421的基本接线如图所示。图中,AD421的电压调整器与外部耗尽型场效应调整管DN25D一起给AD421及其他器件供电,UCC端接2.2μF的退耦电容,以保证电压调整器的输出稳定并吸收AD421和其他器件产生的尖脉冲。当AD421的工作电压选 3V时,在COM、LOOPRTN端之间应接16kΩ的电阻,以调整AD421的增益。
为了稳定电压调整器的工作,在UCC与COM端之间应接一只电源退耦电容,并且在COMP、DRIVE端之间接0.01μF的电容,还要在DRIVE、COM端之间并联上1kΩ电阻和1000pF电容。若将AD421内部2.5V基准源(REF OUT2端)直接作为REF IN端的输入基准电压,则应在REF IN端与地之间接4.7μF退耦电容。3个外部滤波电容分别为C1、C2和 C3,而滤波电阻已集成到芯片中。通常取C1=C2=0.01μF,C3=0.0033μF。C1~c3应选用介质损耗系数很低的电容器。