采用并联外部功率管的方法来降低AD693功耗的电路

📅 发布时间:2013-10-01 17:05 👁️ 浏览:0 🏷️ 标签: 693 AD 并联 功率管

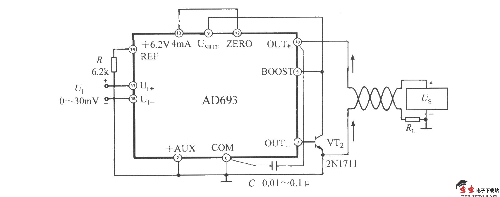
采用并联外部功率管的方法来降低AD693功耗的电路

在AD693内部以输出晶体管VT1的耗电量为最大,必要时可采用并联外部功率管的方法来降低其功耗,具体电路如图所示。VT2可选用2N1711型或2N2219A型NPN功率管,其基极接OUT-端,集电极接BOOST端。要求功率管的截止频率fT=10~100MHz,交流电流放大系数β>10。2N1711和2N2219A的主要参数为UCEO=75V,ICM=0.8A,PCM=0.8W。

觉得这篇文章有帮助吗?