盲人探路器之一(LM567、KD56022)

📅 发布时间:2013-10-01 14:30 👁️ 浏览:0 🏷️ 标签: 56022 567 LM KD

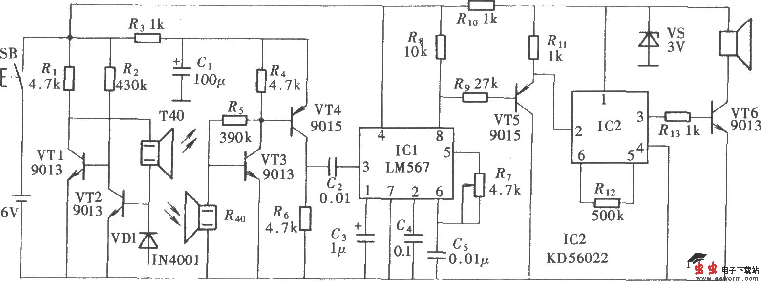
盲人探路器之一(LM567、KD56022)

盲人外出时总要带一根拐仗来探路,以躲避障碍。由于手仗不可能太长,探测距离十分有限。利用超声波原理组成一个微型探测器,安装在手仗内,不仅可以提高探测效率和探测距离,而且使用十分方便。如图为采用超声波探测器组成的盲人探路器,其电路组成如图所示。该电路超声波发射器、超声波接收与信号电压放大器、超声检测电路和警示发声电路组成。

觉得这篇文章有帮助吗?