数显湿度计

📅 发布时间:2013-10-01 00:25 👁️ 浏览:0 🏷️ 标签: 数显 湿度计

数显湿度计

数显湿度计主要由以下几部分电路:

(1)湿度/电压转换电路电路

数显湿度计

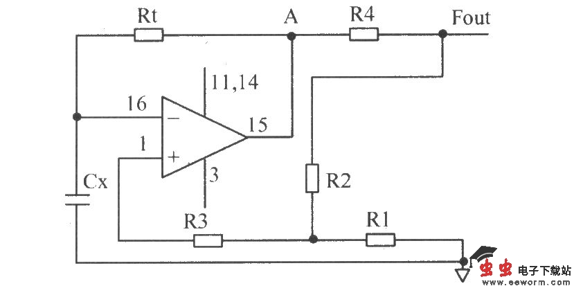
(2)湿度/频率转换电路

数显湿度计

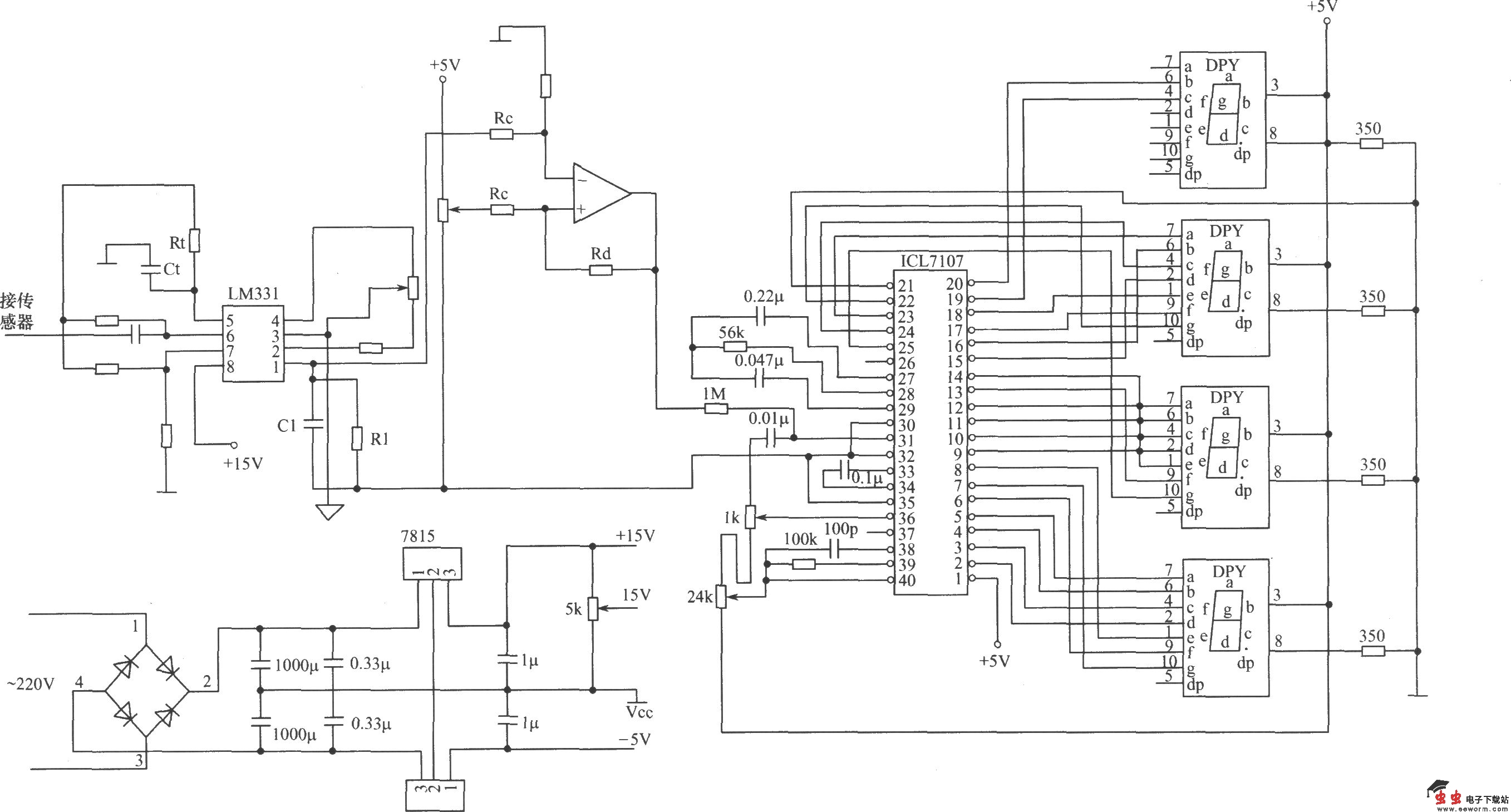
(3)利用LM331组成的电路

数显湿度计

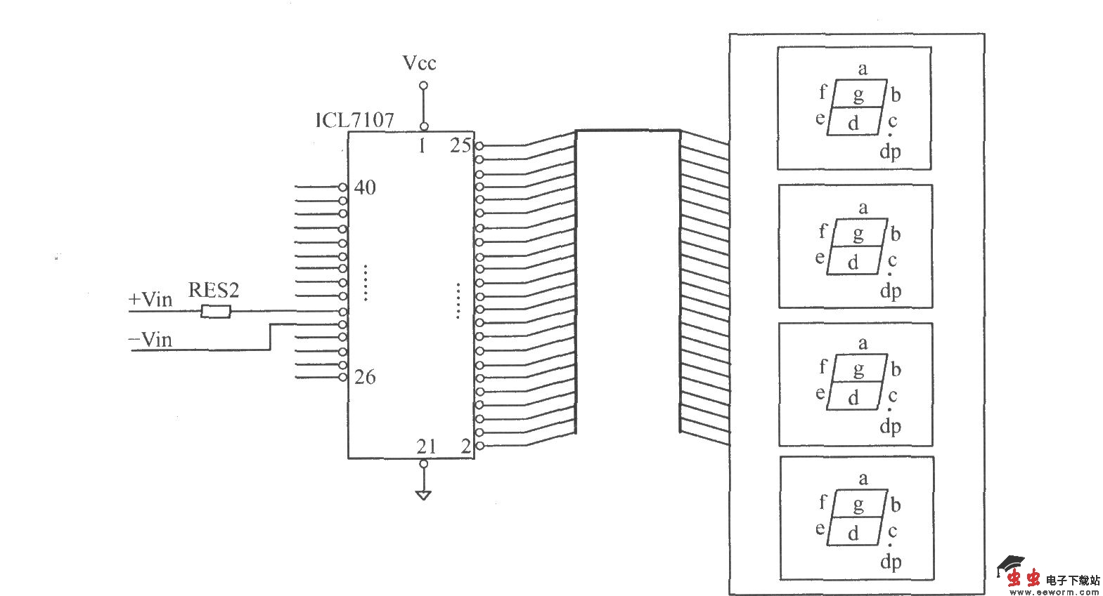
(4)显示电路

数显湿度计 

觉得这篇文章有帮助吗?