该温控机系统的硬件结构由温度测量及A/D转换电路、信号测试及处理电路、键盘扫描及显示电路、控制输出电路和电源电路等五部分组成。系统框图如下图所示。

(1)信号测试及处理电路:该温控机的核心控制部分采用AT公司生产的高性价比的8位微控器AT89C2051,用它来完成数据的测量和处理,实现对饮品温度的测算和控制功能。
(2)温度测量及A/D转换电路:下图为温度测量及A/D转换电路。温度测量电路由温度传感器VT与R1、R2组成的分压电路来完成,温度传感器采用负温度系数热敏电阻VT。MD转换电路由压控振荡器来实现模拟量的数字转换,温度传感电路为压控振荡器提供温度采样电平,通过V-F转换,将代表温度的电信号转换为方波信号,由74LS629输出至CPU 的T0脚。CPU在给定的时间内用计数器T0对方波进行计数,并由此计算出正确的温度。

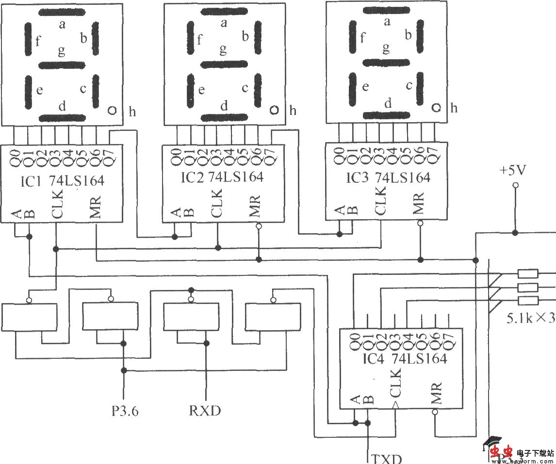
(3)键盘扫描和显示电路:下图为键盘扫描和显示电路。该部分电路是由串行通信口和P3.3、P3.6口扩展3位LED显示器,3键键盘构成。扩展是通过8位并行串行移位寄存器74LS164来完成。

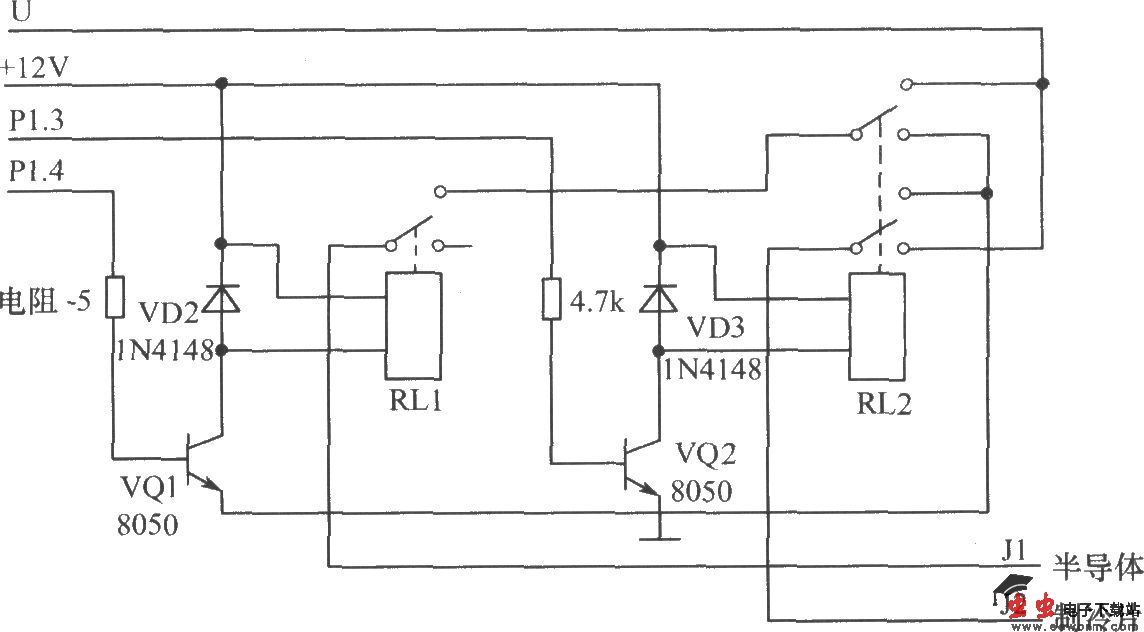
(4)控制输出电路:下图是调整温度的输出控制电路。P1.3经VQ2驱动12V/10A继电器RL1控制半导体制冷片的工作电压。P1.4经VQ1驱动12V带常开常闭双触点的继电器RL2,控制并切换加在半导体制冷片上的工作电压极性,实现加热和制冷。

(5)电源电路:该温控机的加热制冷部分采用半导体制冷片来实现。为实现快速加热和制冷,要求电源能提供输出电流不小于5A的12V直流电压,电路如下图所示。12V直流电经VD1隔离后,一路经7805稳压供CPU使用;一路经R13为冷却风扇供电,另一路为继电器供电。

软件设计:系统用MCS-51汇编语言编程程序主要由下列几部分组成。
(1)键盘扫描显示程序。键盘扫描由T1定时器产生中断定时扫描键盘电路,工作于方式1状态。显示部分由串口驱动,工作于方式0(移位寄存器方式)。
(2)控制输出程序。CPU用定时针数器T0对74LS629输出的方波进行计数,并计算出正确的温度,根据这一温度与设定温度比较,控制P1.3口、P1.4口输出,改变半导体制冷片工作极性来实现加热和制冷。
(3)主程序。主程序框图如下