
如图所示的数码显示抢答器用数码管作显示,可使参赛队员和观众都能看到抢答结果,有很好的透明度。此装置简单,制作容易。
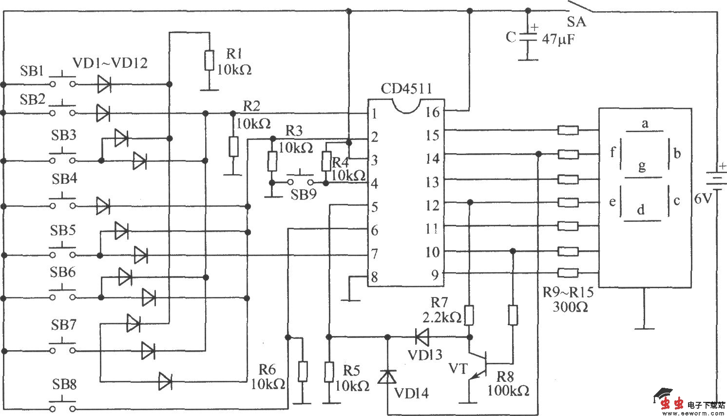
工作原理:数码显示抢答器的电路如图所示。集成电路CD4511是数码显示抢答器的主要部分。这是一块BCD-7段锁存/译码/驱动电路。它的1、2、6、7脚为BCD码输入端。第9~15脚为显示输出端。3脚LT为测试端,当它为“0”时,输出全为“1”。4脚BI为消隐端,当BI为“0”时,输出全为“0”,此端为“0”时还能清除锁存器内的数值。5脚LE为锁存允许端,当此端由“0”→“1”时,a、b、c、d、e、f、g 7个输出端保持在LE为“0”时所加BCD码对应的显示状态。16脚接电源正极,8脚接电源负极。集成电路输入端与输出端的关系见如下真值表。

元器件选择:集成电路为CD4511或CC4511、MC14511等。显示器可用0.5英寸的共阴极数码管,型号为BSR5101C(红色)或BSG5101C(绿色)。一只三极管为9014或3DG6等NPN型三极管。14只二极管均为1N4148或2CP系列二极管。电阻器全部为(1/8)W碳膜电阻器,300Ω为7只,10kΩ为5只,100kΩ为2只,2.2kΩ为1只。电解电容器为47μF/16V。小型按钮开关9只;小型拨动开关一只:6V电池夹一只。