
该装置与那些不具备拨号显示功能的电话机并联使用,可显示拨出电话号码,以便检查所拨号码是否正确。
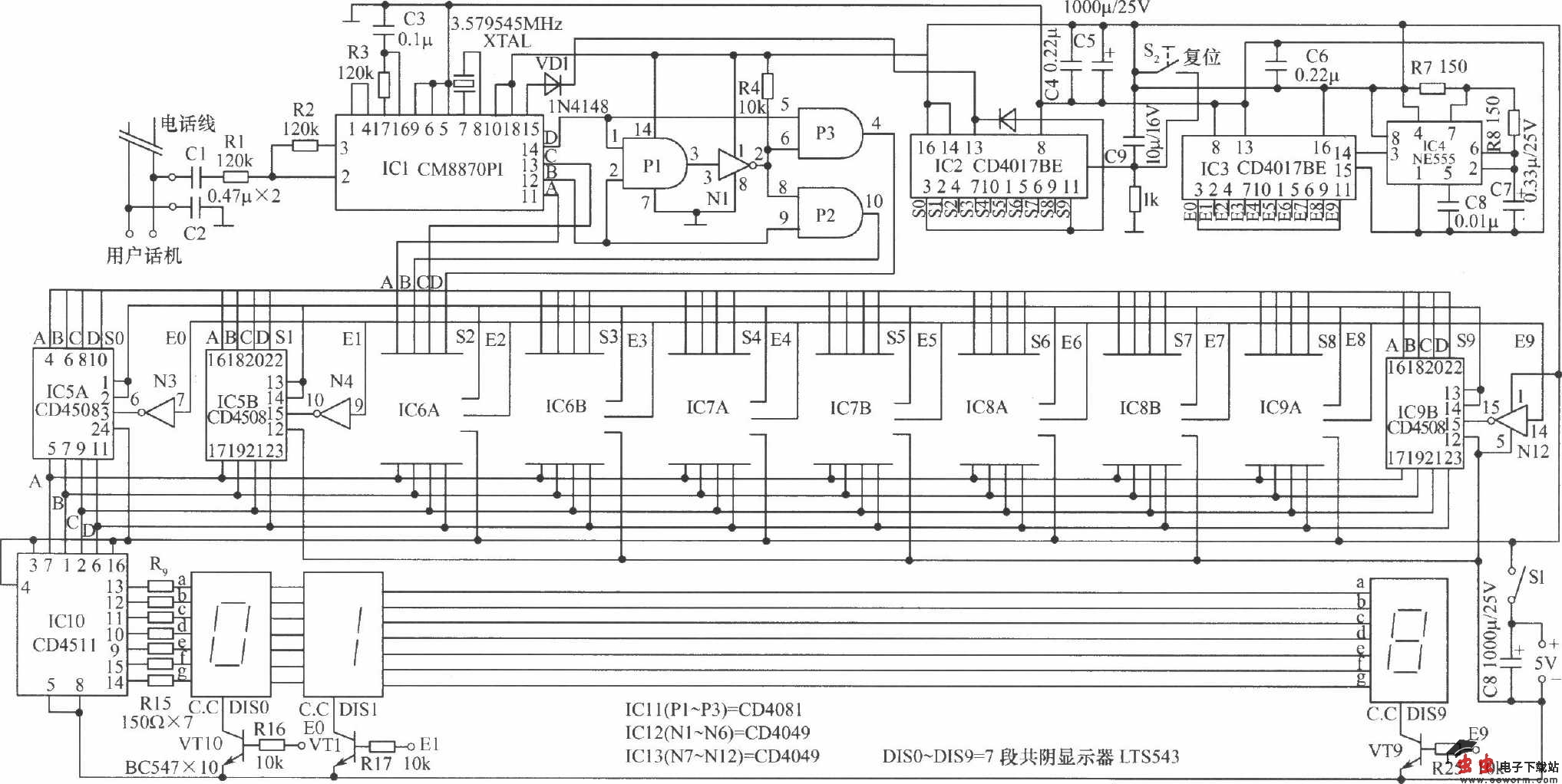
电路如图所示。电话拨号所产生的双音多频(DTMF)信号由DTMF***CM8870P1(IC1)解码,产生对应于电话号码数字的BCD码,每位数字的BCD码均锁存在相应的锁存器内,该电路可显示10位数的电话号码。第一位数字锁存在IC5A(1/2CD4508)内,第二个数字锁存在IC5B内,等等。对于数字“0”,IC1解码输出为“1010”,相当于十进制数的“10”,它不能由7段译码器IC10译码进而显示出来,因此IC1的输出端接有P1~P3和N1构成的逻辑电 路。该电路能将“1010”转成“0000”,而数字1~9的BCD码经过该电路则不发生改变。
IC2(CD4017BE)控制各锁存器中BCD码的锁存,IC1第15脚输出的信号作IC2的时钟脉冲,IC2的10个输出端分别接到各锁存器的时钟和清除输入端,如IC2的某输出端是高电平,则相应的锁存器就会清除前面的数据,并准备储存新的数据。在时钟脉冲作用下,如IC2某输出端的高电平结束,在转变为低电平的瞬间,则出现在相应锁存器输入端的数据就得到存储,IC2的下一个输出端变为高电平,使下一个锁存器数据被清除,并准备存储新数据。
10只共阴显示器LTS543共用一块7段译码驱动器IC10,这样可简化电路,降低成本。因锁存器CD4508的3脚或15脚为低电平有效,故在IC3各输出端与锁存器的3脚或15脚之间都加了一级反相器。IC4(NE555)构成多谐振荡器,振荡频率约10kHz,振荡脉冲触发IC3(CD4017BE),使其10个输出端循环依次输出高电平,晶体管VT0~VT9循环依次导通,如果某一锁存器的输出端有BCD码数据,则相应的显示器就会显示与该BCD码对应的十进制数字。IC5A的数据显示在显示器件“DIS1”上,ICSB的数据显示在“DIS2”上等等。各显示器实际是闪烁点亮的,但闪烁频率较高,故人眼不会有闪烁感。
该电路最多显示十位数,也可按需要减少显示位数,例如要显示7位数,就应将IC2的15脚复位端与其第15脚输出端S6相连。