通过点亮小数点dp指示开路(未测试)状态的电平测试电路

📅 发布时间:2013-09-30 22:05 👁️ 浏览:0 🏷️ 标签: 测试 状态 电平测试 电路

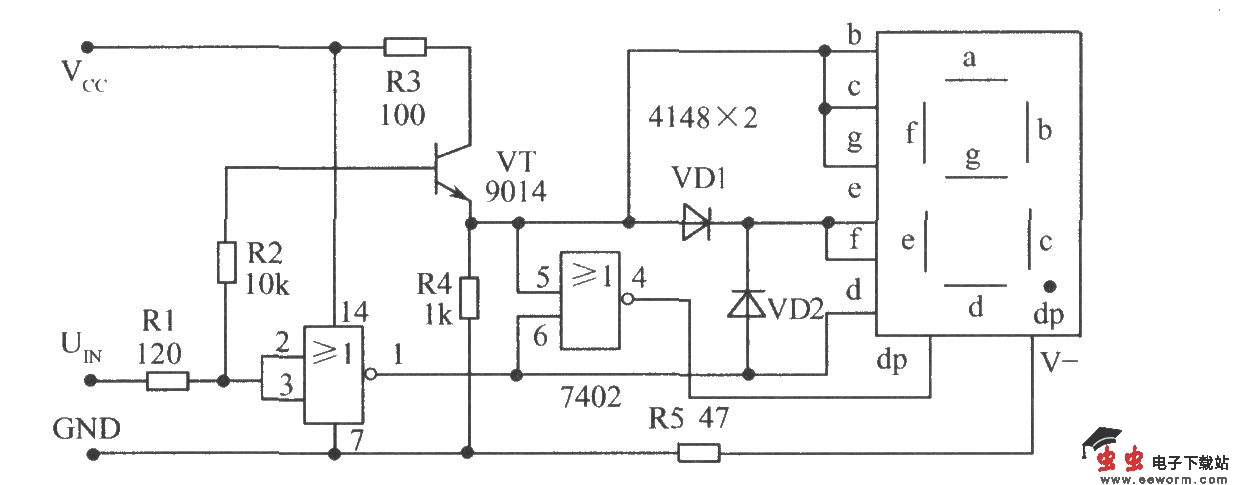
通过点亮小数点dp指示开路(未测试)状态的电平测试电路

如图所示为通过点亮小数点dp指示开路(未测试)状态的电平测试电路。高电平时VT导通,显示H;低电平时VT截止,7402的1脚为高,显示L;探针开路时,7402的2、3脚相当输人高电平,1脚输出低电平。同时VT截止,5脚被R4下拉为低电平,4脚输出高电平仅驱动小数点dp发光。

觉得这篇文章有帮助吗?