
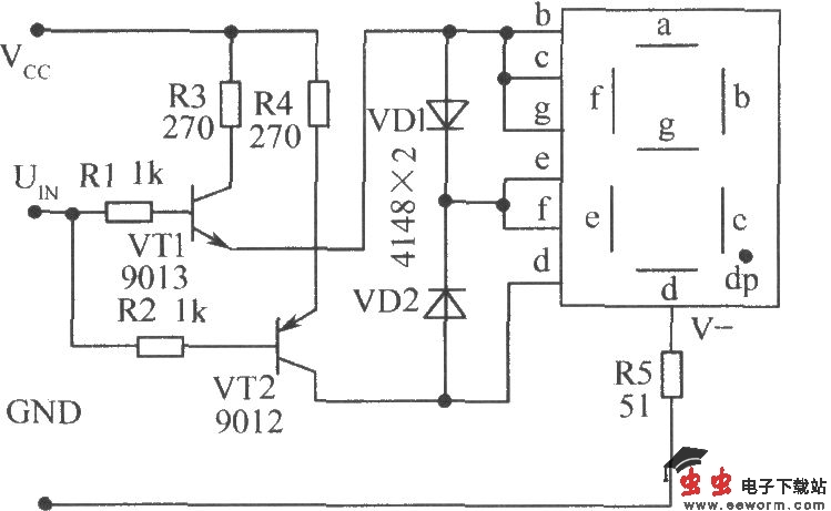
如图所示电路,正电源Vcc和地端GND用夹子与被测电路相连,UIN端通过探针接被测点。当被测点为高电平时,VT1导通,h、c、g笔段为高电平并发光,同时经隔离管VD1使e、f笔段也发光,数码管显示出H字形;被测点为低电平时,VT2导通,d、e、f笔段发光,显示1字形。VD1、VD2起隔离作用,并完成逻辑“或”的功能(也可用二输入端或门代替),使显示H或L时e、f笔段均发光。调整R3、R4大小可改变高、低电平的检测阈值,调整R5可改变数码管发光亮度。

如图所示电路,正电源Vcc和地端GND用夹子与被测电路相连,UIN端通过探针接被测点。当被测点为高电平时,VT1导通,h、c、g笔段为高电平并发光,同时经隔离管VD1使e、f笔段也发光,数码管显示出H字形;被测点为低电平时,VT2导通,d、e、f笔段发光,显示1字形。VD1、VD2起隔离作用,并完成逻辑“或”的功能(也可用二输入端或门代替),使显示H或L时e、f笔段均发光。调整R3、R4大小可改变高、低电平的检测阈值,调整R5可改变数码管发光亮度。