使用TTL或非门接成反相器配用共阴极数码管构成的电平测试电路

📅 发布时间:2013-09-30 21:20 👁️ 浏览:0 🏷️ 标签: TTL 或非门 反相器 共阴极数码管

使用TTL或非门接成反相器配用共阴极数码管构成的电平测试电路

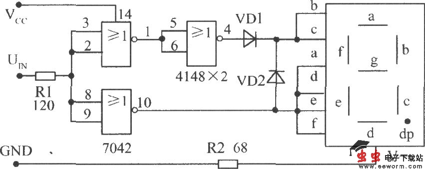
使用TTL或非门接成反相器,配用共阴极数码管,高电平显示1,低电平显示0。其电路如图所示。

觉得这篇文章有帮助吗?