
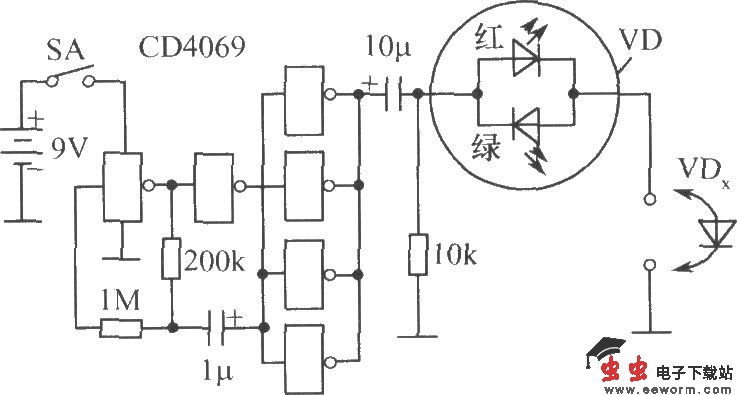
在测试二极管参数之前,先应对二极管进行完好性筛选,以便剔除掉那些开路或短路的无效二极管。这时,不论用万用电表粗测或用晶体管图示仪粗测都是很费时间的,因为都必须对其正反向电阻分别进行一次检测,还常常烦于判别标志不明管子的极性。使用如图所示的电路,用不着理会被测二极管的极性,随便拿来插入测试孔,立刻就能判定:管子是否正常,管子的极性,是否开路、短路,很适于大量快速分选。该分选器的原理十分简单:用CMOS集成电路6非门(CO33或CD4069)的其中2个非门组成超低频振荡器(频率约为3Hz~5Hz),其余4个非门并联起来,用作功率放大器。再通过输出耦合电容将输出波形变为含正负两半周的交流输出,以便测试时不论被测二极管的安插极性如何,都会有一种发光颜色来指示。当被测二极管VDx正极在上插入测试孔时,变色二极管VD将发红光,反之则发绿光。若被测二极管是开路的,则变色二极管不发光;若VDx是短路的,则变色二极管出现红绿颜色的交替变化。这个快速分选器可以连同电池(9V叠层电池)装成一体,平均电流仅0.2mA~0.3mA。它不仅可以粗测普通整流及检波二极管,也可粗测稳压二极管、发光二极管等。