
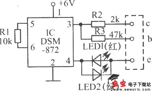
如图所示电路,c、b、e 3只小插孔分别插入待测三极管的c、b、e3脚,可以出现以下几种情形:(1)插入的是完好的NPN型三极管。当IC的3脚为高电平,4脚为低电平时,被测管导通,红色发光二极管LED1发光;当IC的3脚为低,4脚为高时,管子截止,LED1、LED2皆不亮,总的看来就是LED1一闪一闪地发光。(2)插入完好的PNP型三极管。当IC的4脚为高,3脚为低时,管子导通,绿色发光二极管LED2发光;当IC的4脚为低,3脚为低时,管子截止,LED1、LED2皆不亮,总的看来就是LED2闪闪发光。(3)插入的是被击穿短路的NPN或PNP型管。当IC的3脚高、4脚低时,LED1亮、LED2灭;当1C的3脚低4脚高时,LED1亮,LED2灭,看起来就是LED1和LED2交替发光。(4)如果被测管是极间开路的管子,无论IC的3、4呦高低由平如何,LED2皆不能发光。