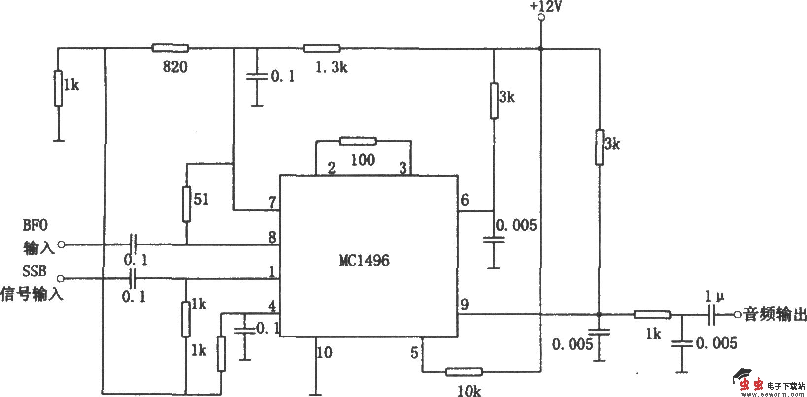
MC1496构成的乘法检波器

📅 发布时间:2013-09-30 14:05 👁️ 浏览:1 🏷️ 标签: 1496 MC 乘法 检波器

MC1496构成的乘法检波器

如图所示为乘法检波电路。该电路为单边带调幅信号检波器,其解调原理是将所接收到的单边带(SSB)信号与接收端恢复的发送载波相乘,完成解调工作。图中集成块MC1496为平衡调制和解调器,电路的输出电压是输入电压信号和由载波提供的开关函数的乘积。该电路工作在9MHz中频频率时的灵敏度为3μV,动态范围为90dB。

觉得这篇文章有帮助吗?