
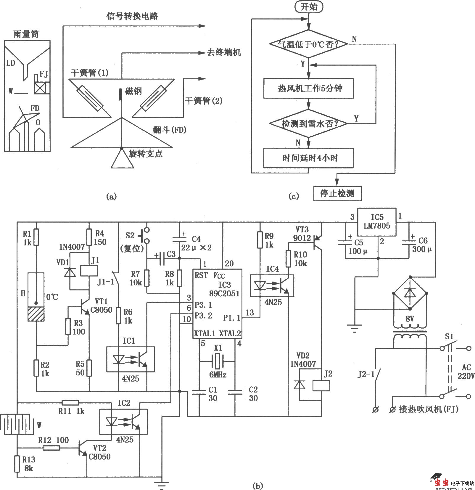
冬季推测水情不仅需要测量降雨量,还要测量降雪量。本电路在原雨量遥测电路的基础上,增加一些部件就可实现测量雨雪降落量的双重功能,如图所示。
降雨时,雨水经图(a)中雨量筒的漏斗LD流到下面的翻斗FD内。当一侧翻斗正好收集到1mm雨 量时,翻斗失去平衡翻动,翻斗内的雨水也随之排掉,同时另一侧翻斗开始收集雨水。持续降雨时,翻斗左右不停翻动。在图(a)的信号转换电路中,翻斗中杆带有磁钢,翻斗左右翻动时,干簧管(1)与干簧管(2)交替吸合、断开,给终端机送信号,再由终端机通过载波向中心站传送雨量数据。本电路的制作先在雨量筒内增加一个热吹风机FJ,直吹漏斗。漏斗口下水平安装一个钢丝网W。温度开关H安装在雨量筒外1m处,电路板放置在雨量筒内。
雨雪降落量遥测电路如图(b)所示。IC3是单片机89C2051,其P3.1端是温度检测口,P3.2端是雪水检测口,P1.1端是风机工作条件控制口。由于温度开关H触点设在0℃刻度处,气温高于0℃时,三极管VT1导通,继电器儿工作,其常闭触点J1-1断开,光耦IC1不通,IC3因P3.1置位而停止检测。气温低于0℃时,三极管VTl断开,J1不工作,J1-1接通,光耦ICl导通,P3.1端呈低电位,IC3开始检测是否下雪,同时P1.1呈低电位,光耦IC4导通,继电器J2工作,其常开触点J2-1闭合,热风机工作。如雨量筒漏斗上无雪(即无降雪发生),P3.2置位,热风机工作5分钟停止,4小时后又开始工作,如此反复。如果天空开始下雪,则由热风机加热后的漏斗使雪融化,如果有雪水水滴流经钢丝网W一次,W导通而使三极管VT2导通,继而光耦IC2导通,P3.2呈现一次低电位,热风机工作5分钟。连续水滴流经W时,P3.2持续呈现低电位,热风机连续工作,直到不再有水滴流经w为止。程序流程图见图(c)所示。
如在热风机不工作的4小时内有降雪,根据当地的常年降雪量,不会使雨量筒降满雪,因此不会产生误差,只是降雪测量有延迟。一定的时间延迟,对测量降雪量没有多大影响。冬季过后,可人工断开Sl,停止测量雪量功能。