用门电路组成的文字显示型逻辑笔之二(CD4011)

📅 发布时间:2013-09-30 12:55 👁️ 浏览:0 🏷️ 标签: 4011 CD 门电路 文字显示

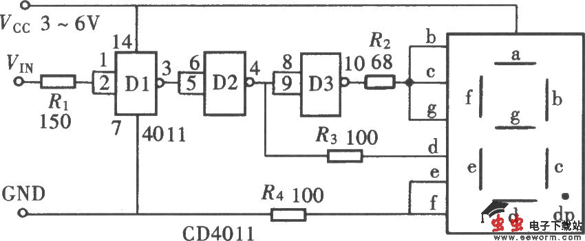
用门电路组成的文字显示型逻辑笔可有多种形式,既可由反相器组成,也可以用与非门组成,还可用或非门组成等。如图所示的逻辑笔是由与非门CD4011与共阳极数码管共同组成的。

用门电路组成的文字显示型逻辑笔之二(CD4011)

觉得这篇文章有帮助吗?