球赛计分器(CD4027、CD4055、CD40192)

📅 发布时间:2013-09-30 10:55 👁️ 浏览:1 🏷️ 标签: CD 40192 4027 4055

球赛计分器(CD4027、CD4055、CD40192)

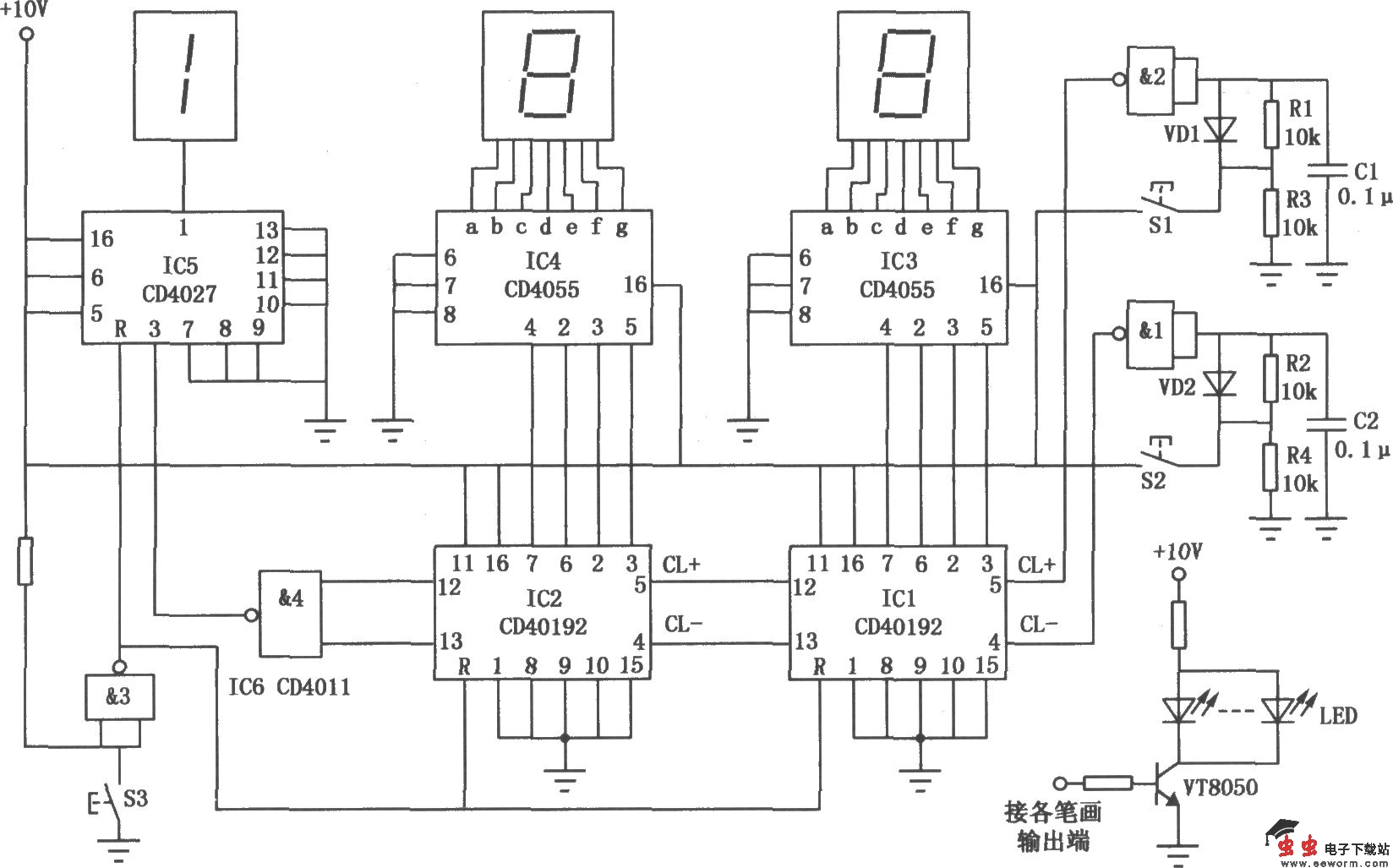
球赛计分器的电路如图所示,它用于记录并显示球赛成绩。第一个数码管仅有两种状态,即“熄灭”或显示“l”,后两个数码管可显示“0”~“9”十种状态,故该计分器的最高计分可达199分。电路主要由计数器、译码电路、触发电路、显示电路及防抖动开关电路等组成。

觉得这篇文章有帮助吗?