
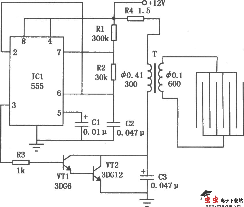
电子灭蝇器利用加在电网上的高压脉冲电压击毙触网的苍蝇。使用时网内设下诱饵以吸引苍蝇,对所有飞到灭蝇网上的苍蝇均能予以杀灭。电子灭蝇器电路如图所示,ICl时基集成电路555与电阻Rl、R2以及电容Cl组成无稳态振荡电路,从ICl的③脚输出频率约为30Hz、占空比为10%的连续方波。该方波经过电阻R3耦合至三极管VTl、VT2,放大后推动升压变压器T升压,使接在变压器次级的灭蝇电网带有上千伏的高压,从而实现杀灭苍蝇的功能。灭蝇网可用l4号铁丝制作,相邻铁丝距离约为6mm。为防止小孩误触高压电网,灭蝇器应放置在离地面几米的高处,且应固定牢靠。