用CD4017组成l~17进制计数器之一

📅 发布时间:2013-09-30 07:50 👁️ 浏览:0 🏷️ 标签: 4017 CD 进制计数器

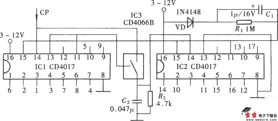
十进制计数器是人们最常用的计数器,但在某些特殊的计数场合下,也需要其他进制的计数器。下面是一例采用十进制计数集成电路CD4017组成的1~17进制计数器,其电路组成如图所示。

用CD4017组成l~17进制计数器之一

觉得这篇文章有帮助吗?