1~9个脉冲选取电路(CD4017)

📅 发布时间:2013-09-30 07:10 👁️ 浏览:0 🏷️ 标签: 4017 CD 脉冲 电路

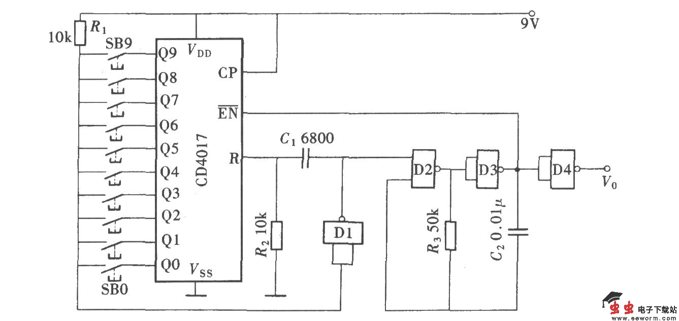
如果我们想要一次选取多个脉冲,可采用下面的电路。该电路可以通过按动一个按钮,在1~9个范围内任意选取脉冲,它的电路如图所示。

1~9个脉冲选取电路(CD4017)

觉得这篇文章有帮助吗?