电子校音仪电路(CD4017)

📅 发布时间:2013-09-30 07:05 👁️ 浏览:0 🏷️ 标签: 4017 CD 电子 电路

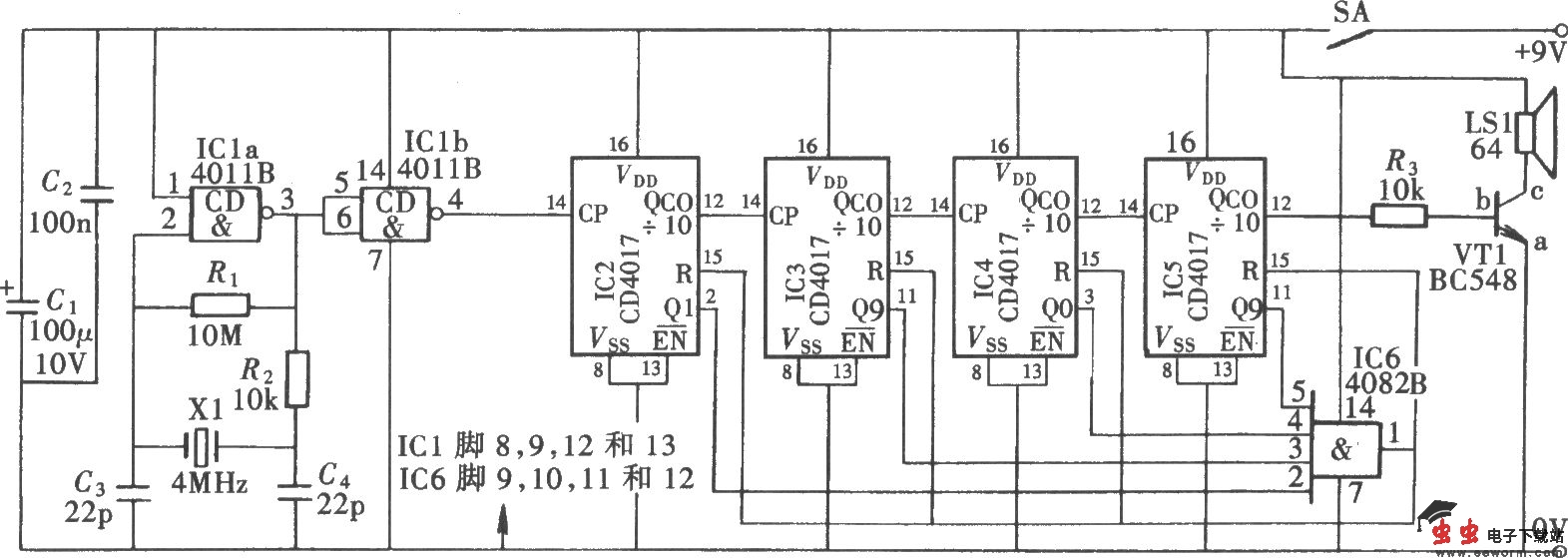
校音仪是一种常用的标准音频校准仪器,通常用金属制作成音叉,使用时用手击动使其发出440Hz的音频信号,通过与被校音频的对比进行音频校准。电子校音仪是用电子元件制作的音频校准仪器,用它来代替金属音叉来进行音频校准工作,不仅方便,而且准确并可连续工作。它的电路原理如图所示。

电子校音仪电路(CD4017) 

觉得这篇文章有帮助吗?