脉冲占空比演示电路

📅 发布时间:2013-09-30 05:50 👁️ 浏览:0 🏷️ 标签: 脉冲 电路

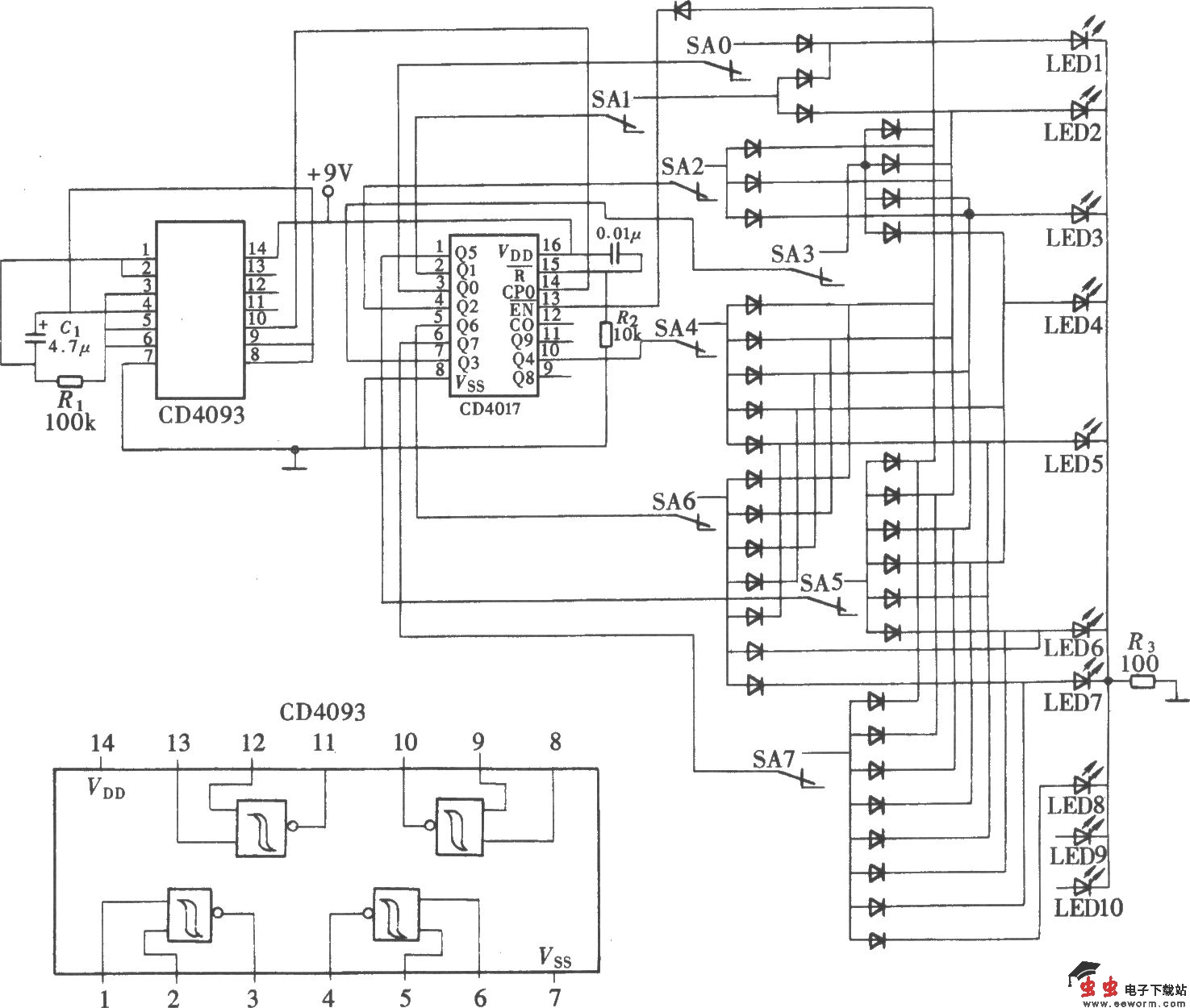
脉冲占空比演示电路是利用了十进制计数器CD4017的自锁特性而制作的,该电路的13脚内为锁存单元结构。当该引脚被加上高电平后,电路的输出状态被封锁。利用电路的这一特性,当电路的输出端达到某一状态时,向13脚加上高电平使电路封锁,电路的显示状态被锁定,以便被使用者进行观察和记录。电路如图所示。该电路由驱动脉冲发生器、脉冲分配器、二极管阵列、七位互锁开关和发光二极管显示电路组成。

脉冲占空比演示电路 

觉得这篇文章有帮助吗?