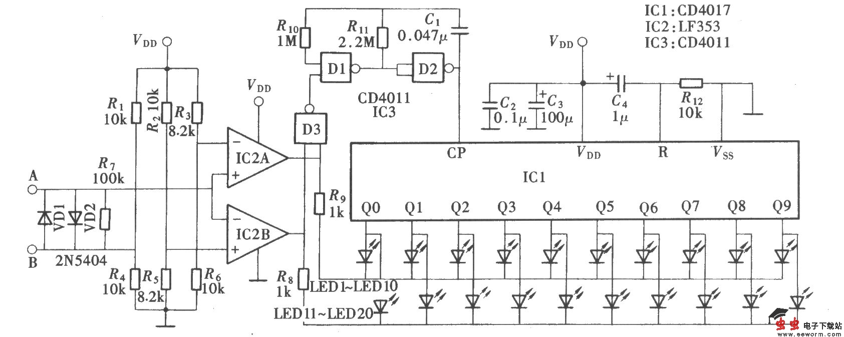
电流方向演示器(CD4017、CD4011、LF353)

📅 发布时间:2013-09-30 05:25 👁️ 浏览:0 🏷️ 标签: CD 4017 4011 353

电流方向演示器(CD4017、CD4011、LF353)

该电路工作电源电压为6V,若需改变工作电压,需重新计算电阻网络中的电阻值,确保R6端电压为0.5V并小于VD2的电压降;R5上端电压为0.5V并小于VDl的电压降。电路在使用中应串接在使用回路中,不允许直接并接在电源两端;若在被测电路中有高频电压时,VDl与VD2应选用高频二极管。

觉得这篇文章有帮助吗?