湿度指示器电路

📅 发布时间:2013-09-30 05:10 👁️ 浏览:3 🏷️ 标签: 湿度指示器 电路

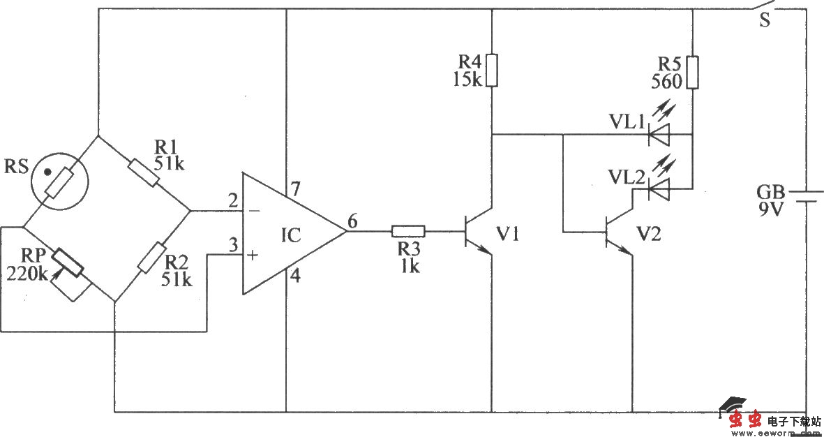
为了育早秧、育好秧,农村常用塑料薄膜在地上做成简单的育秧棚来育秧苗。这样的育秧棚的缺点是棚内湿度常过大,影响秧苗的正常生长。本例介绍一款简易秧棚湿度指示器,它采用LED来指示育秧棚内的湿度大小,使用十分方便。 该湿度指示器电路由湿度检测放大器和LED指示电路组成,如图所示。

湿度指示器电路 

调节RP的阻值,可以设定需要警示的湿度值。 元器件选择 R1~R5选用1/4W金属膜电阻器或碳膜电阻器。 RP选用有机实心电位器或可变电阻器。 RS用值大于100的3DG6型晶体管制作:去掉该晶体管的金属帽后,将其放在浓盐水中 浸泡后晒干,实测干时其c、e极问电阻值大于200kΩ,湿时其C、e极间电阻值为10kΩ左右卸可。测量时,用万用表的黑表笔接c极,红表笔接额极,用嘴向晶体管心片上呵气时,万用表指针应迅速向右摆动;当管心片上的水蒸气蒸发后,表针能渐渐向左摆回即为正常。 VL1和VL2均选用φ5mm的发光二极管。 V1和V2均选用3DG6或S9013型硅NPN晶体管。 IC选用µA741或5G24型运算放大器集成电路。 GB选用9V叠层电池。 S选用小型单极拨动式开关。

觉得这篇文章有帮助吗?