基于GPl020的6信道相关器电路

📅 发布时间:2013-09-30 00:50 👁️ 浏览:0 🏷️ 标签: GPl 020 信道 电路

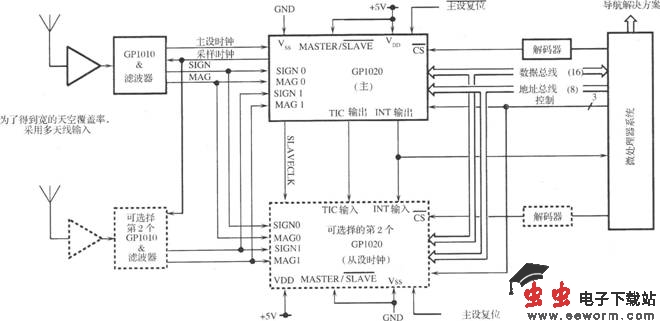
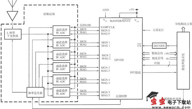
GPl020是一个6信道CMOS数字相关器,可以与GPl010 L1信道下变频器或其他集成电路组合,用来截获和跟踪GPS C/A码或GLONASS码。GPl020 6个信道中的每一个通道,都包括:独立的数字下变频到基带处理的电路、C/A代码发生器、相关器和累加转存寄存器。 GPl020通过一个16位数据总线与一个微处理器接口,使用不同的片上寄存器控制采集和跟踪过程。输入多路复用器适合多种GPS前端和GLONASS前端,允许天线有差异。电源电压5v,功耗小于500mW,采用120L MQFP封装,封装尺寸28mm×28mm×3.4mm,适合GPS或 GLONASS导航系统、高集成度的GPS接收机、GPS测量接收机、GPS时间基准等应用。

基于GPl020的6信道相关器电路 

GPS接收机简化模块图276

基于GPl020的6信道相关器电路 

觉得这篇文章有帮助吗?