TRF6901/FSK/OOK 915/8687 MHz收发器

📅 发布时间:2013-09-29 22:35 👁️ 浏览:0 🏷️ 标签: 6901 8687 TRF FSK

TRF6901/FSK/OOK 915/8687 MHz收发器

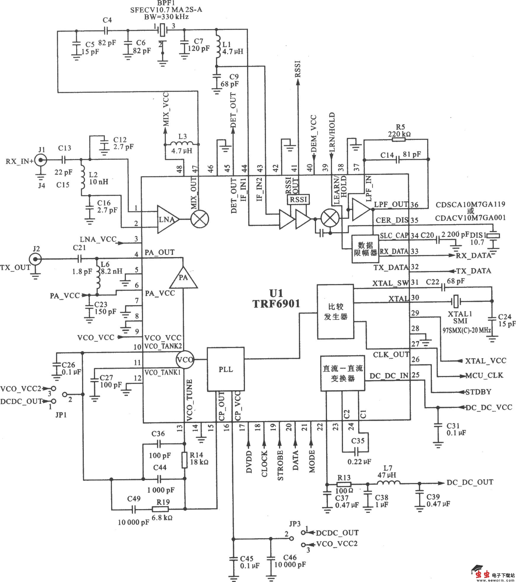
TRF6901在868~870 MHz欧洲ISM频段FSK应用电路

TRF6901/FSK/OOK 915/8687 MHz收发器

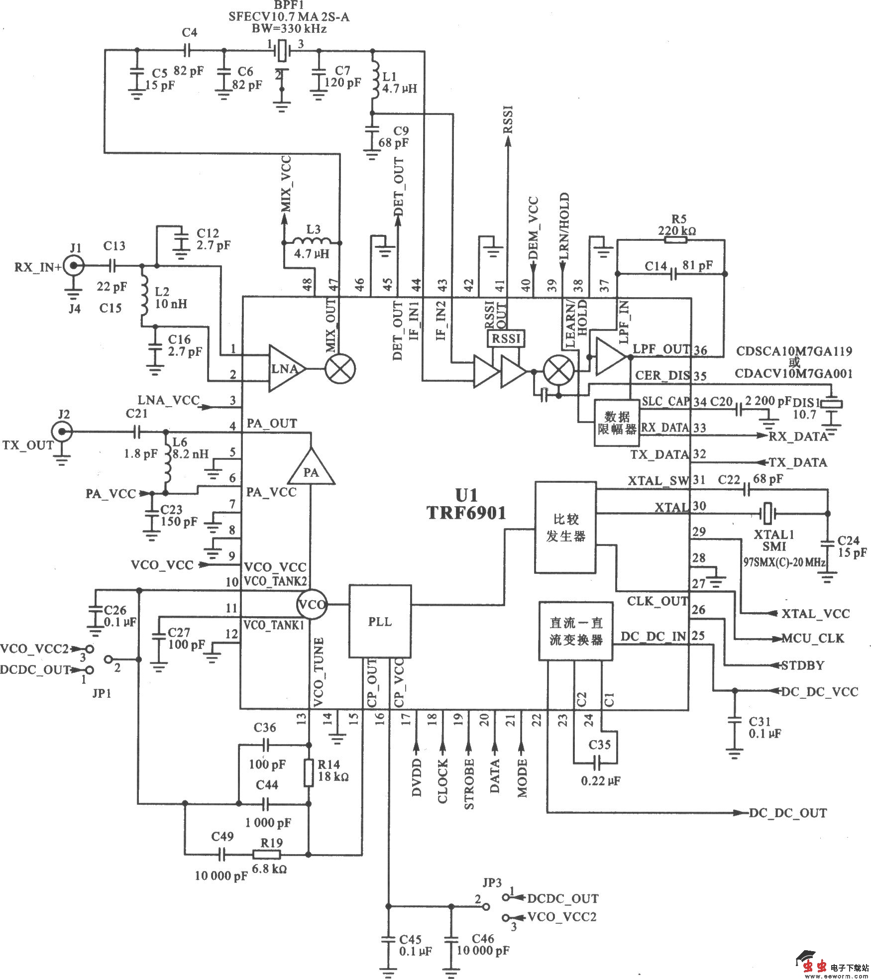
TRF6901在902~928 MHz北美ISM频段FSK应用电路

觉得这篇文章有帮助吗?