TR5100 FM l50~15 MHz收发器

📅 发布时间:2013-09-29 22:15 👁️ 浏览:0 🏷️ 标签: 5100 MHz l50 TR

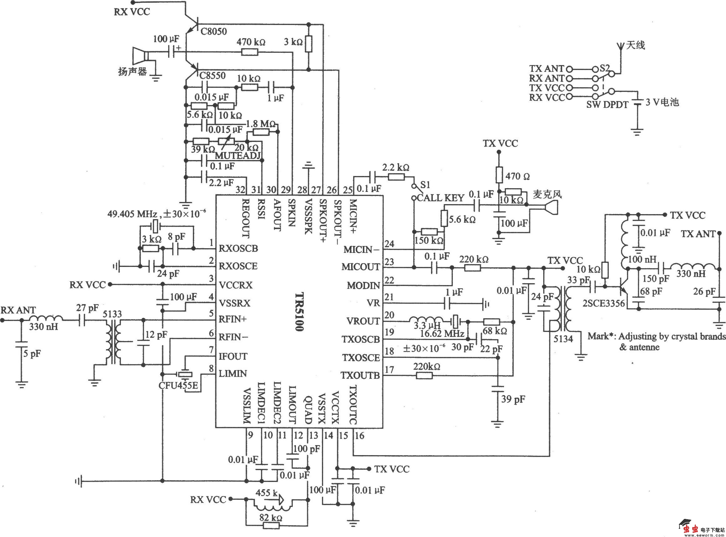
TR5100是一款全双工模式收发器芯片,适合在单路/双路步话机、免提设备和老人/小孩监视器等领域中应用。 主要技术特点如下: ·工作在15~150 MHz频段; ·工作电压为2.7~3.3 V: ·接收灵敏度为-100 dBm; ·发射输出功率为-20 dBm: ·接收IF频率为455 kHz; ·发射调制频偏为3~5 kHz; ·工作温度为-10~60℃。

TR5100 FM l50~15 MHz收发器 

TR5100的应用电路

觉得这篇文章有帮助吗?