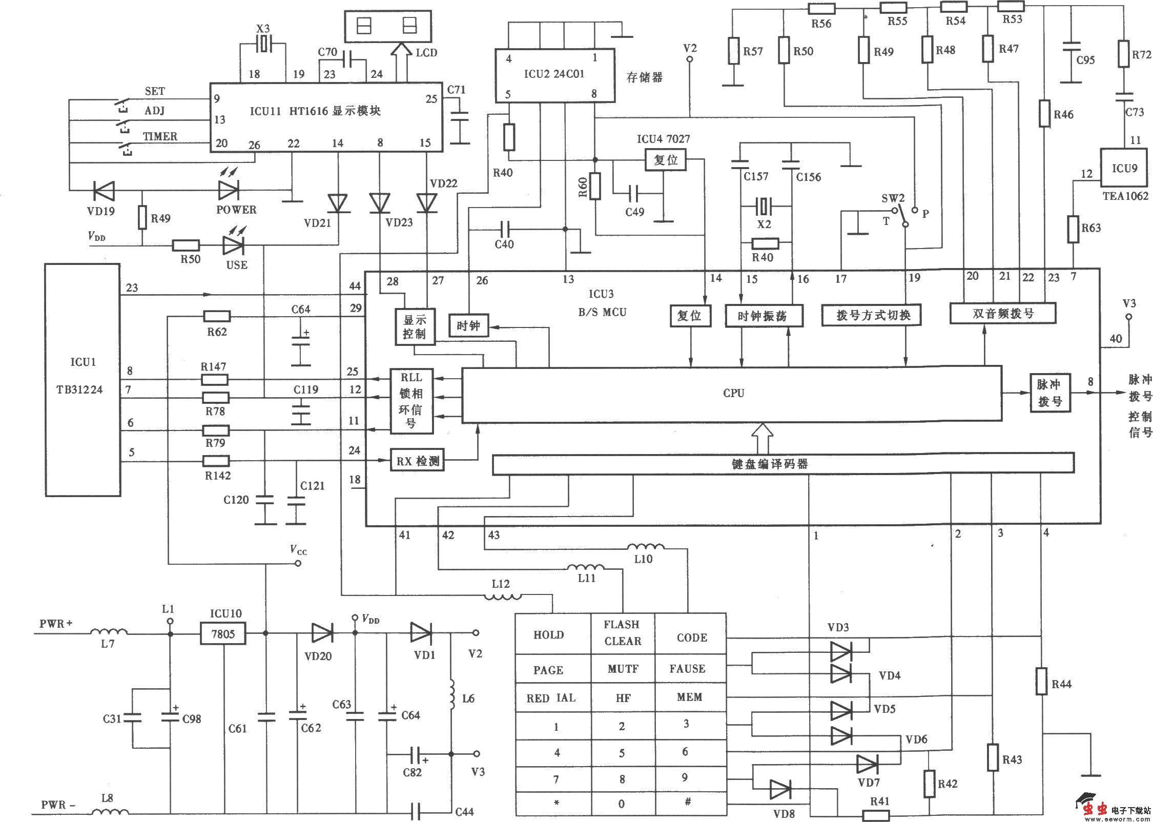
天时达HW838(4)P/TSD-lCD型无绳电话机主机微电脑控制电路

📅 发布时间:2013-09-29 22:05 👁️ 浏览:0 🏷️ 标签: TSD-lCD 838 HW 无绳电话机

天时达HW838(4)P/TSD-lCD型无绳电话机主机微电脑控制电路

天时达HW838(4)P/TSD-lCD型无绳电话机主机微电脑控制电路

觉得这篇文章有帮助吗?