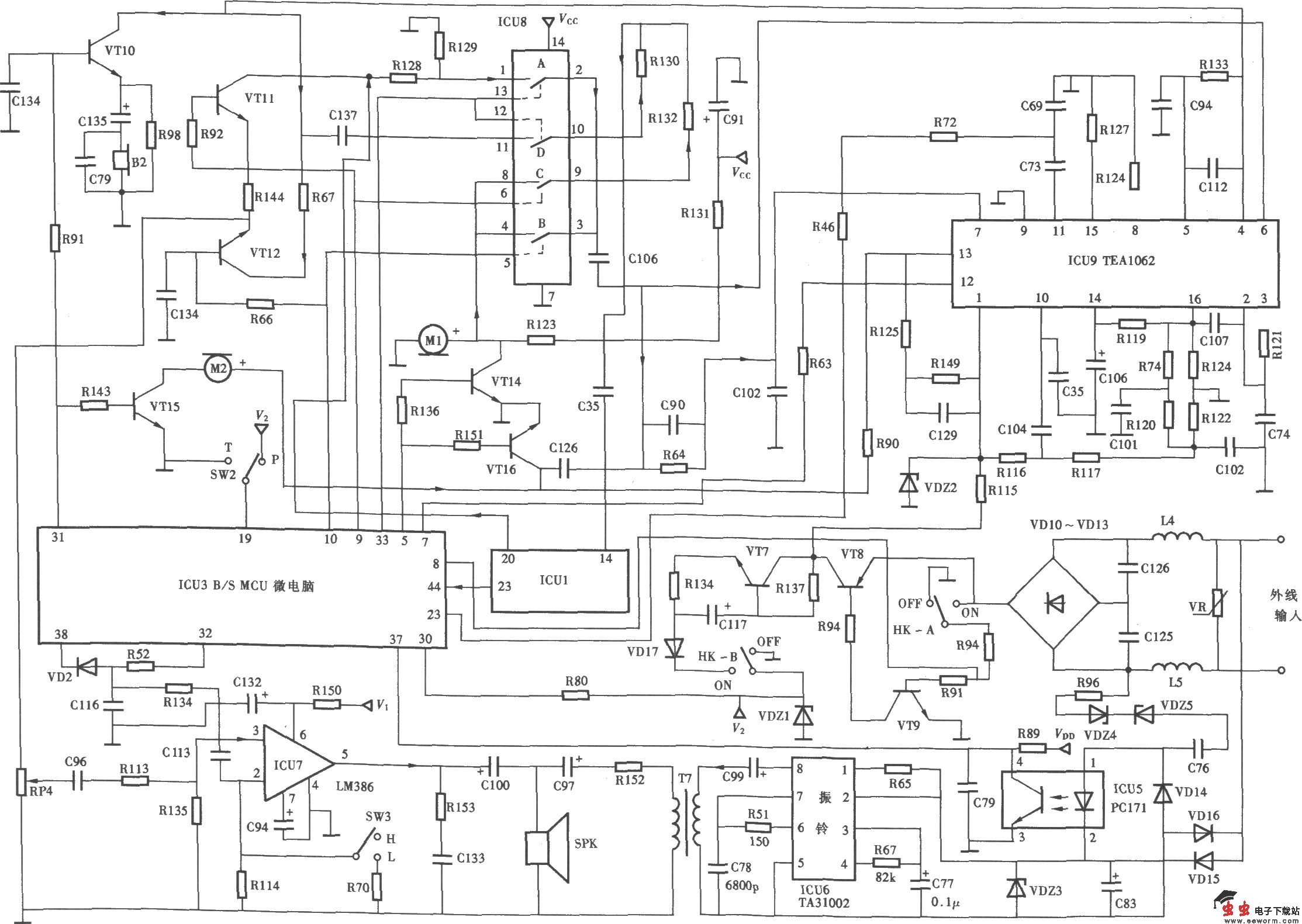
天时达HW838(4)P/TSD-LCD型无绳电话机主机通话和振铃电路

📅 发布时间:2013-09-29 21:40 👁️ 浏览:0 🏷️ 标签: TSD-LCD 838 HW 无绳电话机

天时达HW838(4)P/TSD-LCD型无绳电话机主机通话和振铃电路

天时达HW838(4)P/TSD-LCD型无绳电话机主机通话和振铃电路

觉得这篇文章有帮助吗?