RF2926 AM/FMASK/FSK/OOK 915/ 868/433 MHz双变换收发器

📅 发布时间:2013-09-29 21:00 👁️ 浏览:0 🏷️ 标签: FMASK 2926 915 868

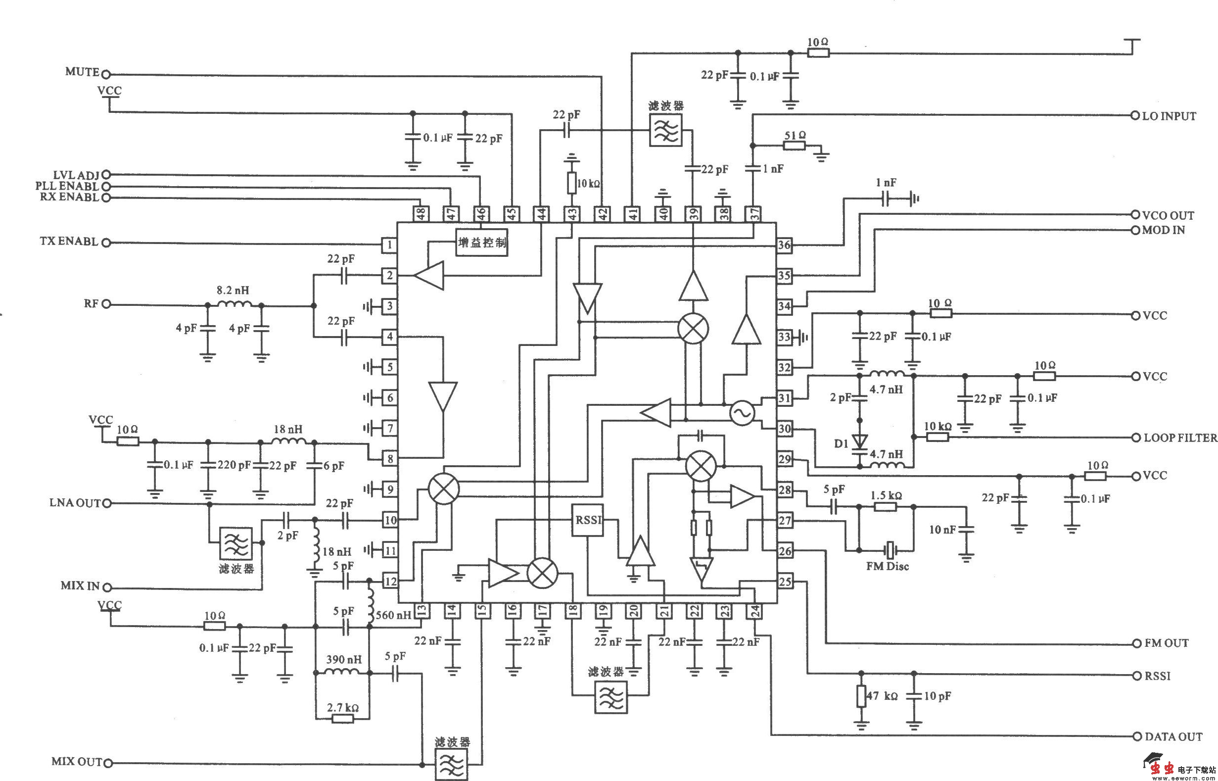
RF2926是专为低成本使用而设计的调频收发器,应用在美国915MHz ISM频段和欧洲433/868 MHz ISM频段,适合在无线抄表系统、无线进入系统、无线安全系统和电池供电便携式设备中应用。 主要技术特点如下: ·工作频率为300~1000 MHz ISM频段; ·FM/FSK/ASK/OOK调制和解调方式; ·灵敏度高达-99 dBm; ·输出功率达 5 mW(在433 MHz); ·工作电压为2.7~5.0 V; ·电流消耗:发射模式为10.9~37.3 mA,接收模式为l0~18 mA,低功耗模式仅为1 μA; ·具有上变频器和下变频器; ·单独的发射(TX)、接收(RX)和锁相环(PLL)使能控制线,允许半双工工作。

RF2926 AM/FMASK/FSK/OOK 915/ 868/433 MHz双变换收发器 

RF2926 的应用电路图

觉得这篇文章有帮助吗?