nRF401/nRF403433/315 MHz收发器

📅 发布时间:2013-09-29 20:40 👁️ 浏览:1 🏷️ 标签: nRF 403433 401 315

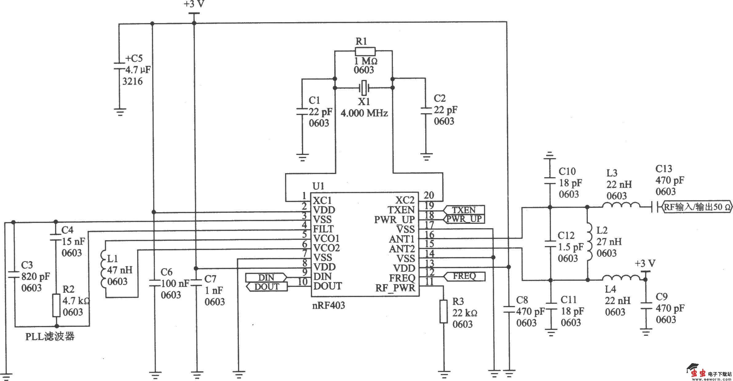
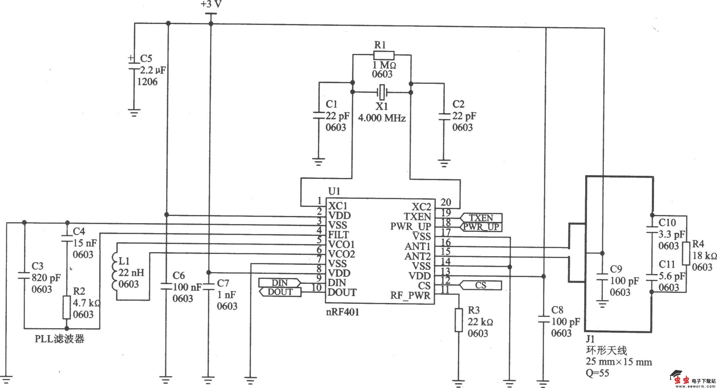
nRF401/nRF403是单片RF收发芯片,工作在433 MHz ISM频段和315 MHz频段,具有FSK调制和解调能力,抗干扰能力强,可方便地嵌入各种测量和控制系统中。nRF401/nRF403适合在仪器/仪表数据采集系统、无线抄表系统、无线数据通信系统和计算机遥测/遥控系统中应用。 主要技术特点如下: ·工作频率为433.92/315.16 MHz: ’ ·灵敏度高达-105 dBm; ·最大发射功率达 10dBm; ·数据传输速率为20 Kb/s ·具有2个信号通道; ·可直接与微控制器接口; ·nRF401电源电压为2.7~5.25 V,nRF403电源电压为2.7~3.6 V; ·接收待机电流仅为8μA。

nRF401/nRF403433/315 MHz收发器 

nRF401的 433 MHz 应用电路

nRF401/nRF403433/315 MHz收发器 

nRF403的 315 MHz 应用电路

觉得这篇文章有帮助吗?